GM Service Manual Online
For 1990-2009 cars only
Figure 1:

Cell 114: Power and Ground Distribution, Serial Data and Inputs


Object Number: 385345  Size: FS
Figure 2:

Cell 114: Door Lock and I/P Dimmer Switch Inputs


Object Number: 295065  Size: FS
Figure 3:

Cell 114: Trunk Ajar Input, Courtesy Lights B+ Output and Theater Dimming 1 Output


Object Number: 295067  Size: FS
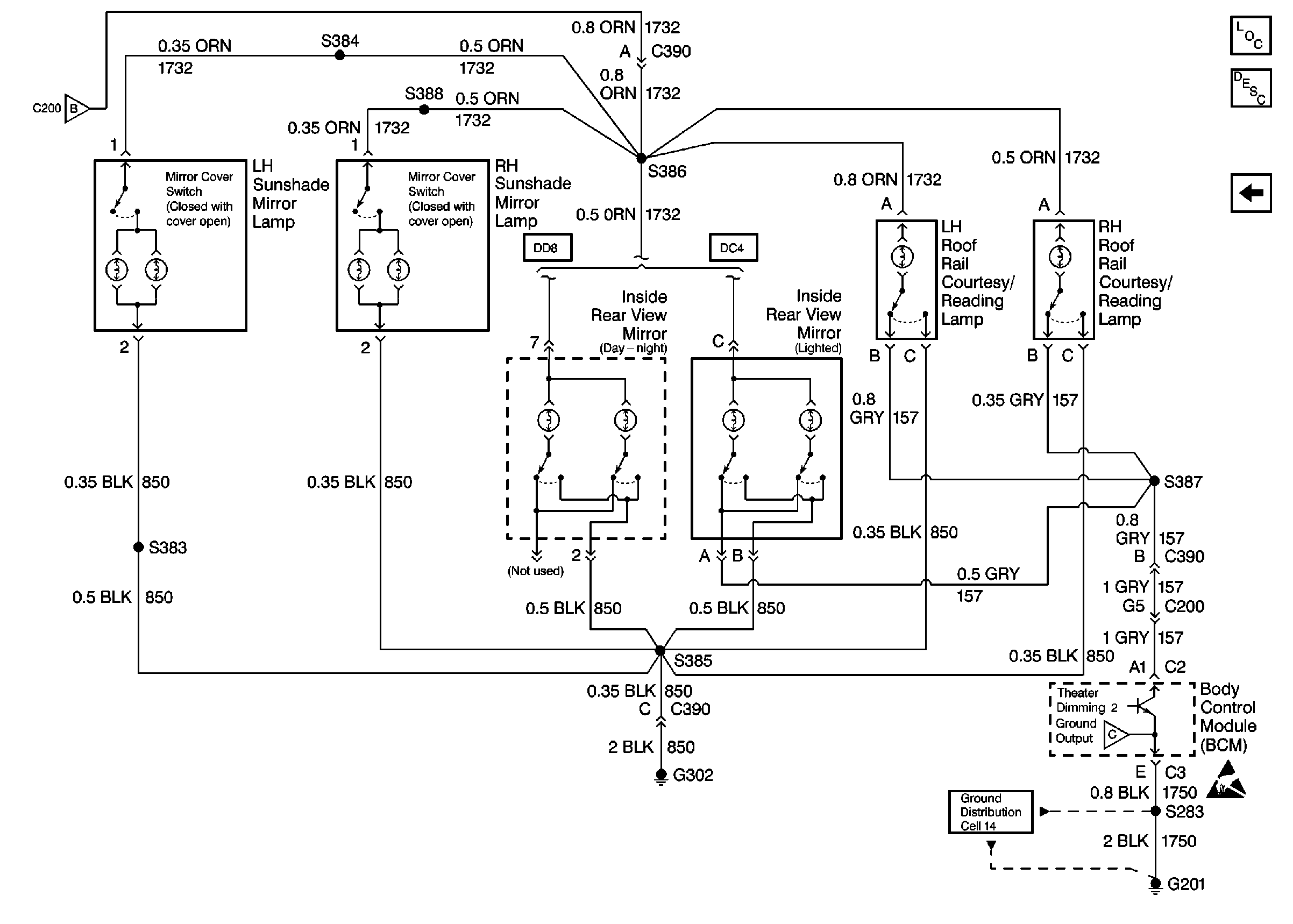
Figure 4:

Cell 114: Theater Dimming 2 Output


Object Number: 453985  Size: FS