GM Service Manual Online
For 1990-2009 cars only
Makes
🢒
Oldsmobile
🢒
1999
🢒
Intrigue
🢒
Body and Accessories
🢒
Wiring Systems
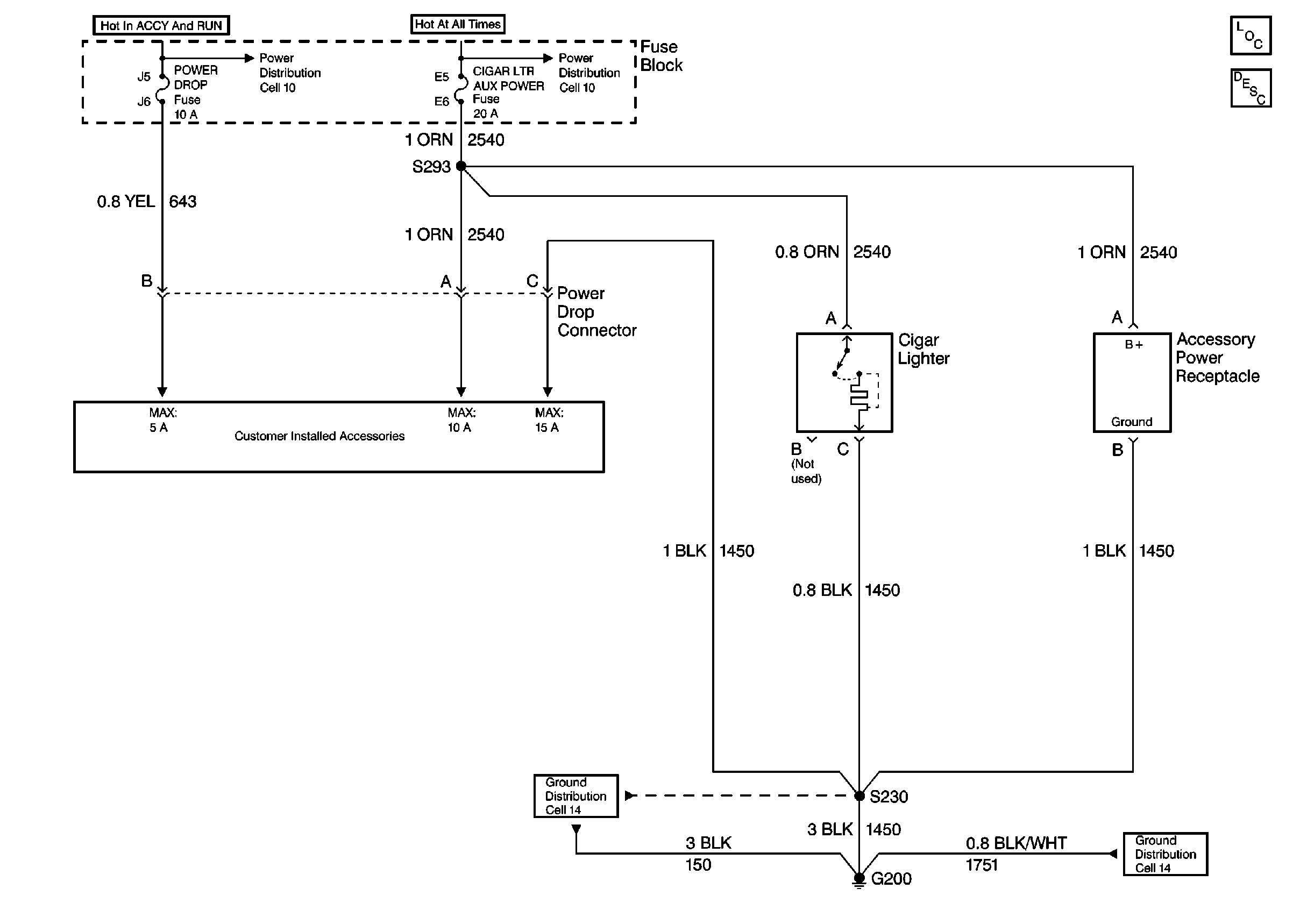
🢒 Cigar Lighter/Power Outlet Schematics
Cell 19
Power and Grounding Components
Cigar Lighter/Auxiliary Outlet Circuit Description
Cell 14: RH IP Ground G200
Cell 14: RH IP Ground G200
Cell 10: POWER DROP, RADIO CRUISE, RED STRG WHL ILLUM, and WIPER Fuses
Cell 10: ABS BCM, CD CHANGER, CIGAR LTR AUX POWER, INADV POWER BUS,and RADIO HVAC RFA CLUSTER DATA LINK Fuses