GM Service Manual Online
For 1990-2009 cars only
Makes
🢒
Oldsmobile
🢒
1999
🢒
Intrigue
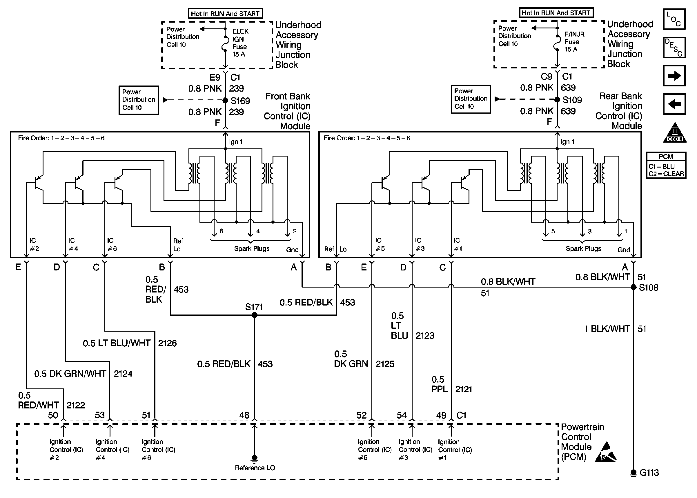
🢒 Front Bank ICM, Rear Bank ICM
Front Bank ICM, Rear Bank ICM
Ignition Coil/Module
Engine Controls Components
Information Sensors/Switches Description
CKP/CMP/KS (98 W OLDS 3.5L LX5)
PCM/I\P Cluster/Fuse Block
OBD II Symbol Description Notice
Handling ESD Sensitive Parts Notice