GM Service Manual Online
For 1990-2009 cars only
Makes
🢒
Oldsmobile
🢒
1999
🢒
Intrigue
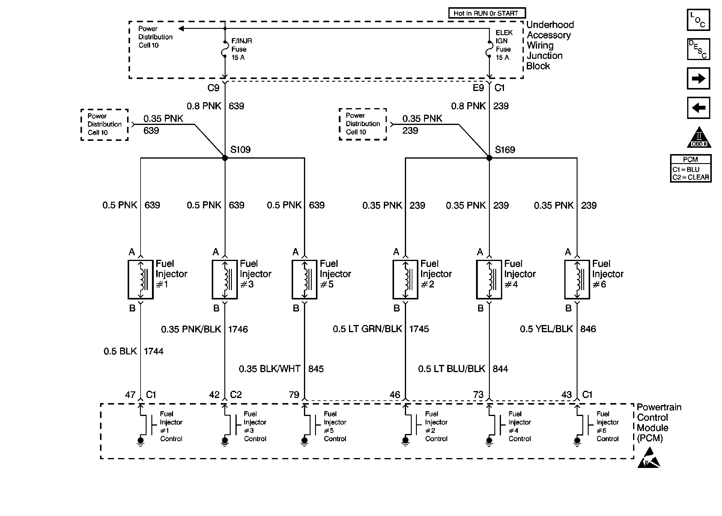
🢒 Fuel Injectors 1 thru 6
Fuel Injectors 1 thru 6
Fuel Injectors
Engine Controls Components
Information Sensors/Switches Description
Cruise Control Module, Vehicle Speed Sensor (VSS)
Fuel Tank, FTP Sensor, Fuel Pump
OBD II Symbol Description Notice
Handling ESD Sensitive Parts Notice