GM Service Manual Online
For 1990-2009 cars only
Makes
🢒
Oldsmobile
🢒
1999
🢒
Intrigue
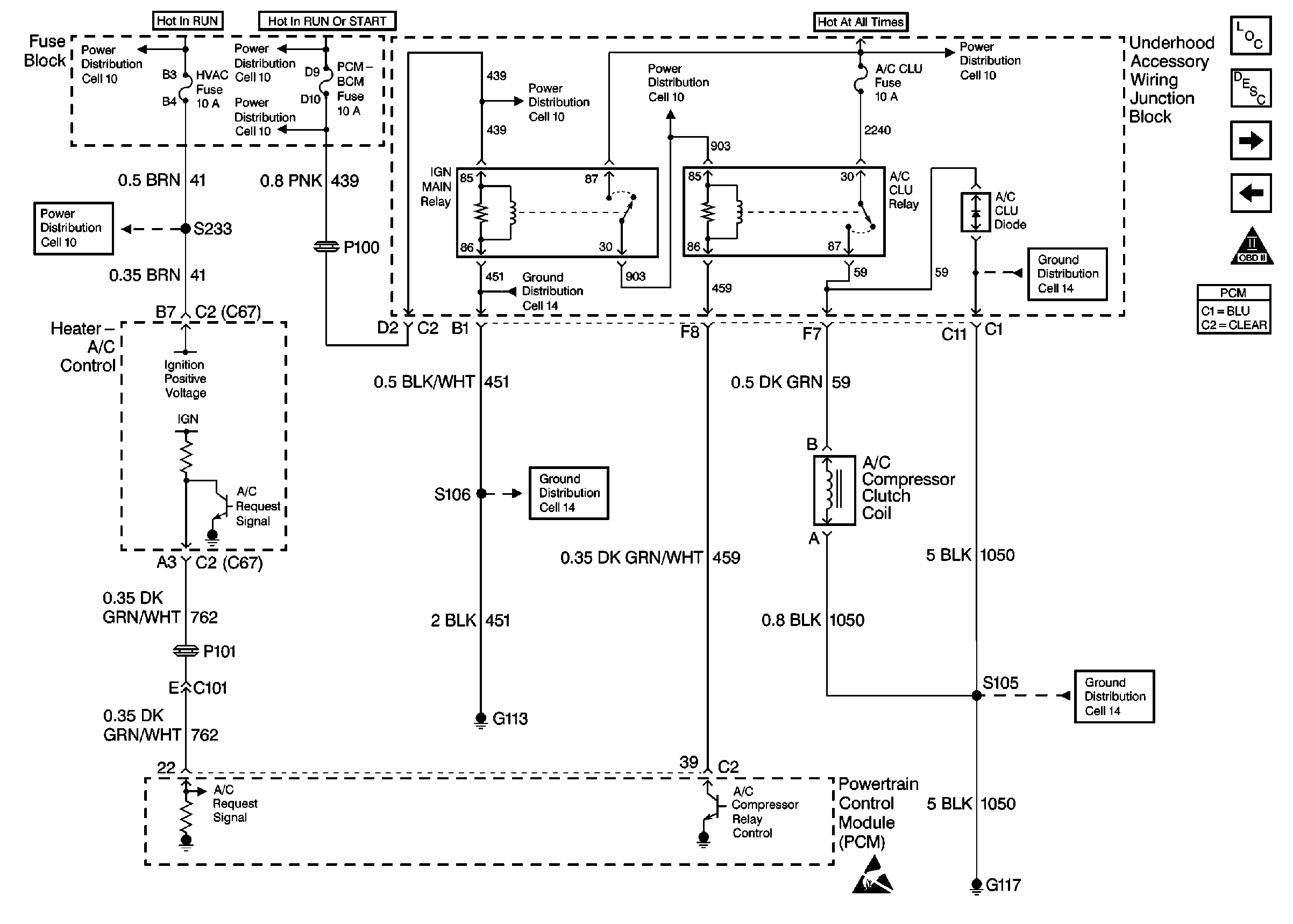
🢒 Heater A/C Control, A/C Compressor Clutch Coil
Heater A/C Control, A/C Compressor Clutch Coil
A/C Compressor Controls
Engine Controls Components
Information Sensors/Switches Description
Engine Coolant Fan Motor #1 (RH), Engine Coolant Fan Motor #2 (LH)
(IAC) Valve, Engine Oil Level Indicator Switch, Engine Oil Pressure Switch
OBD II Symbol Description Notice
Handling ESD Sensitive Parts Notice
Handling ESD Sensitive Parts Notice