GM Service Manual Online
For 1990-2009 cars only
Makes
🢒
Oldsmobile
🢒
1999
🢒
Intrigue
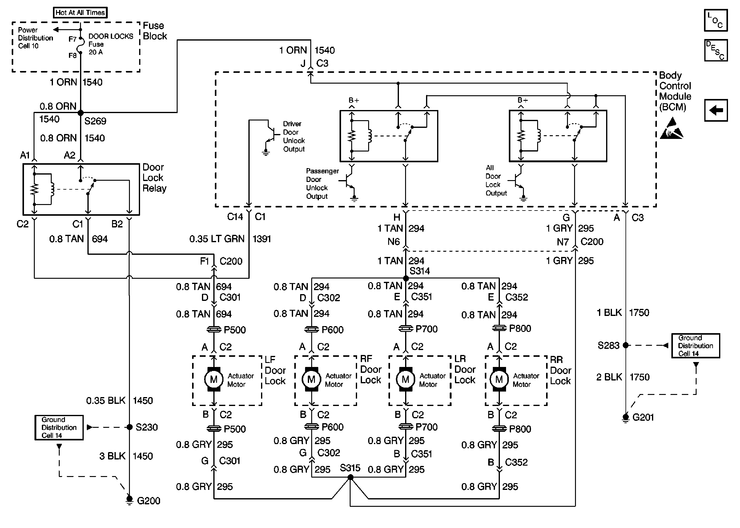
🢒 Cell 51: Auto Door Lock Outputs
Cell 51: Auto Door Lock Outputs
Cell 51: Auto Door Lock Outputs
Body Control Module Components
Body Control System Description
Cell 51: Auto Door Lock Inputs, RFA Link
Handling Electrostatic Discharge Sensitive Parts Notice
Power Distribution Schematics
Ground Distribution Schematics
Ground Distribution Schematics