GM Service Manual Online
For 1990-2009 cars only
Makes
🢒
Oldsmobile
🢒
1999
🢒
Intrigue
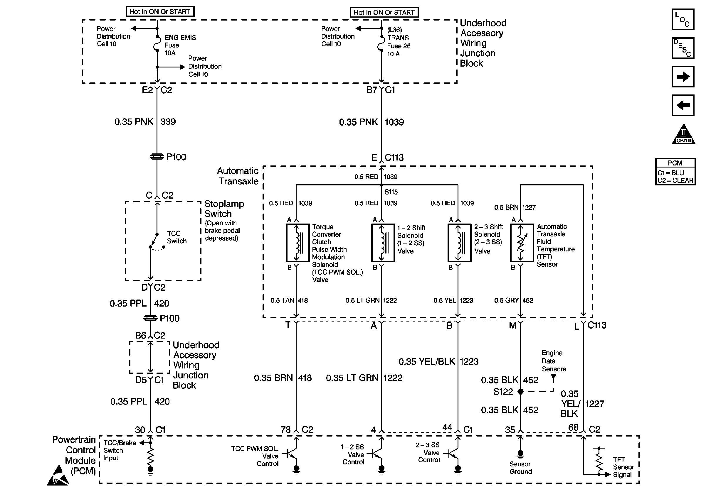
🢒 Automatic Transaxle Internal Controls and TCC
Automatic Transaxle Internal Controls and TCC
Automatic Transaxle Internal Controls and TCC
Cell 10: Underhood Accessory Wiring Junction Block
Cell 10: ENG EMIS Fuse
Cell 10: Underhood Accessory Wiring Junction Block
A/T Fluid Pressure Manual Valve Position Switch, PC SOL Valve and A/T ISS Sensor
Transaxle Range Switch
OBD II Symbol Description Notice
Engine Data Sensors
Handling ESD Sensitive Parts Notice
Engine Controls Components