GM Service Manual Online
For 1990-2009 cars only
Makes
🢒
Oldsmobile
🢒
1999
🢒
Intrigue
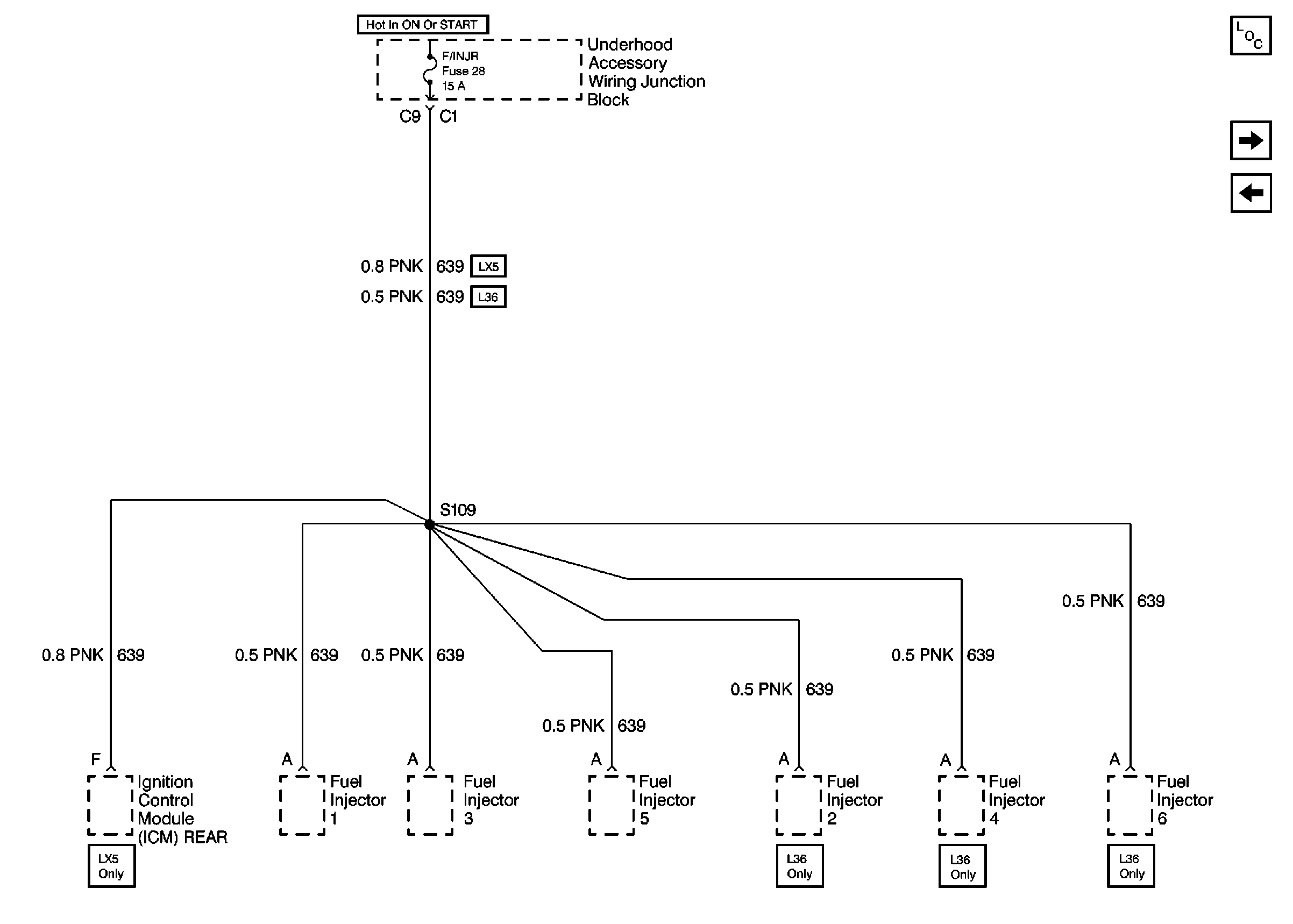
🢒 Cell 10: F/INJR (28) Fuse
Cell 10: F/INJR (28) Fuse
Cell 10: F/INJR (28) Fuse
Power and Grounding Components
Cell 10: ABS, CRANK SIGNAL BCM CLUSTER, HEATED MIRROR, and IGN 0:CLUSTER PCM & BCM Fuses
Cell 10: TRANS, TRANS/ABS, DFI, F/INJR (25), and OXY SEN Fuses