GM Service Manual Online
For 1990-2009 cars only
Makes
🢒
Oldsmobile
🢒
1999
🢒
Intrigue
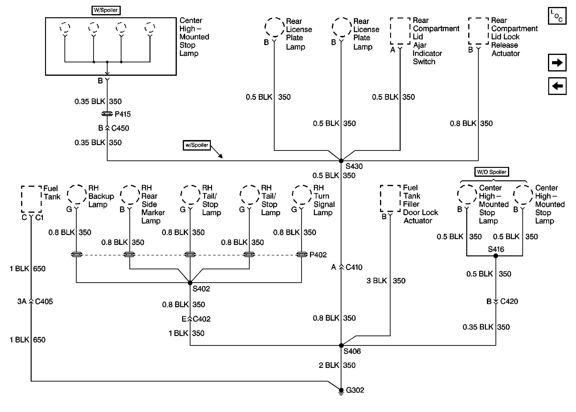
🢒 Cell 14: RH Body Ground G302 (cont.)
Cell 14: RH Body Ground G302 (cont.)
Cell 14: RH Body Ground G302 (cont.)
Power and Grounding Components
Cell 14: LH Rear Compartment Ground G401
Cell 14: RH Body Harness Ground G302