GM Service Manual Online
For 1990-2009 cars only
Makes
🢒
Oldsmobile
🢒
1999
🢒
Intrigue
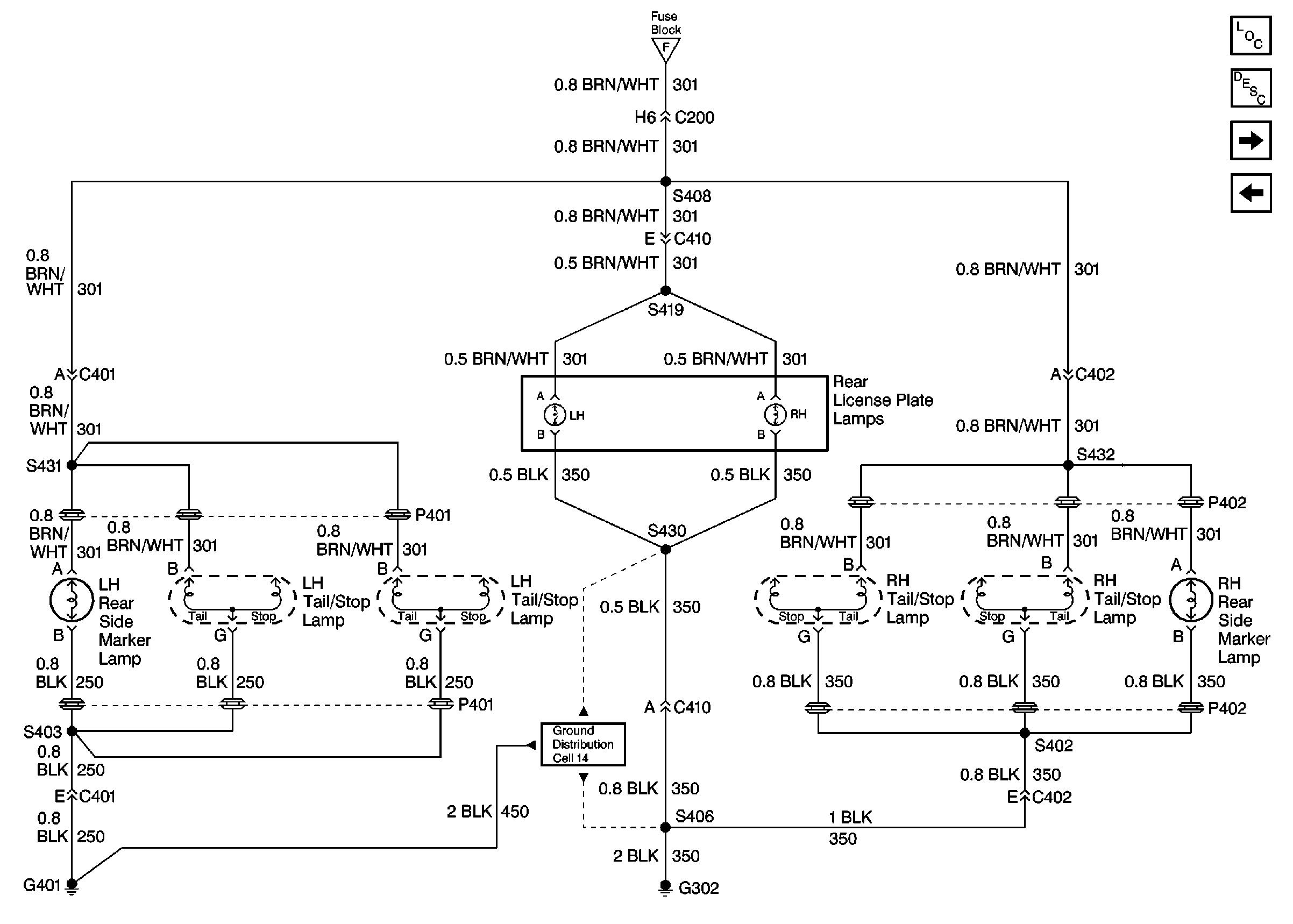
🢒 Cell 110: Rear Side Marker, Tail, License Plate Lamps
Cell 110: Rear Side Marker, Tail, License Plate Lamps
Cell 110: Rear Side Marker, Tail, License Plate Lamps
Lighting Systems Components
Exterior Lights Circuit Description
Cell 110: Power, Stop Lamp Switch, Stop Lamps, CHMSL Lamps
Cell 110: Power, DRL Control Module, BCM, Headlamp Switch, Park Brake Indicator Switch
Cell 14: RH Body Harness Ground G302
Cell 110: Power, DRL Control Module, BCM, Headlamp Switch, Park Brake Indicator Switch