GM Service Manual Online
For 1990-2009 cars only
Makes
🢒
Oldsmobile
🢒
1999
🢒
Intrigue
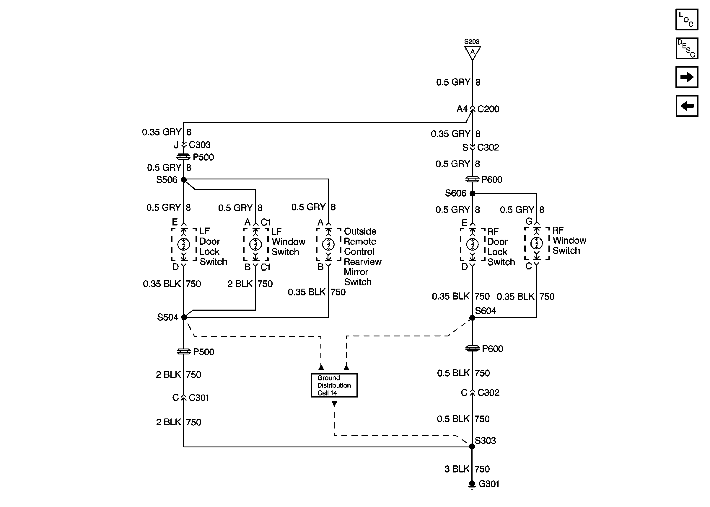
🢒 Cell 117: Door Lock Switches, Window Switches, Outside Remote Control Rearview Mirror Switch
Cell 117: Door Lock Switches, Window Switches, Outside Remote Control Rearview Mirror Switch
Cell 117: Door Lock Switchs, Window Switchs, Outside Remote Control Rearview Mirror Switch
Lighting Systems Components
Interior Lights Dimming Circuit Description
Cell 117: I/P Lamp Dimmer Switch, Instrument Cluster, Radio, Heater-A/C ControL
Cell 117: Power, Instrument Cluster, Headlamp Switch, Steering Wheel Control Switch,
Cell 14: LH Body Harness Ground G301