GM Service Manual Online
For 1990-2009 cars only
Makes
🢒
Oldsmobile
🢒
2000
🢒
Intrigue
🢒
Body and Accessories
🢒
Lighting Systems
🢒 Interior Lights Dimming Schematics
Figure
1:
Fused Distribution, Switchs, and Instrument Cluster
Park Lamp Relay
Body Control System Schematics
Fog Lamp Switch and Fog Lamps
Battery, MaxiFuses, Fusible Links and Crank Relay
Park Lamp Relay
Lighting Systems Components
Interior Lights Dimming Circuit Description
Steering Wheel Controls, Window and Door Lock Switches
Fog Lamp Switch and Fog Lamps
Steering Wheel Controls, Window and Door Lock Switches
Steering Wheel Controls, Window and Door Lock Switches
Handling ESD Sensitive Parts Notice
Handling ESD Sensitive Parts Notice
Ground G201
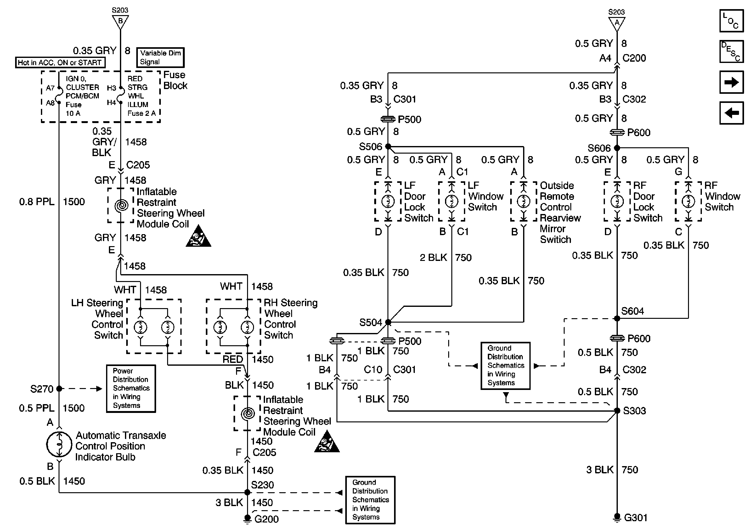
Figure
2:
Steering Wheel Controls, Window and Door Lock Switchs
Fused Distribution, Switches, and Instrument Cluster
SIR Caution
Fuse Block: Heated Mirrors, Crank Signal/BCM/Cluster and IGN 0/Cluster/PCM/BCMFuses
SIR Caution
Ground G200
Ground G301 2 of 3
Fused Distribution, Switches, and Instrument Cluster
Lighting Systems Components
Interior Lights Dimming Circuit Description
I/P Lamp Dimmer Switch, Radio, Instrument Cluster and Heater- A/C Control
Fused Distribution, Switches, and Instrument Cluster
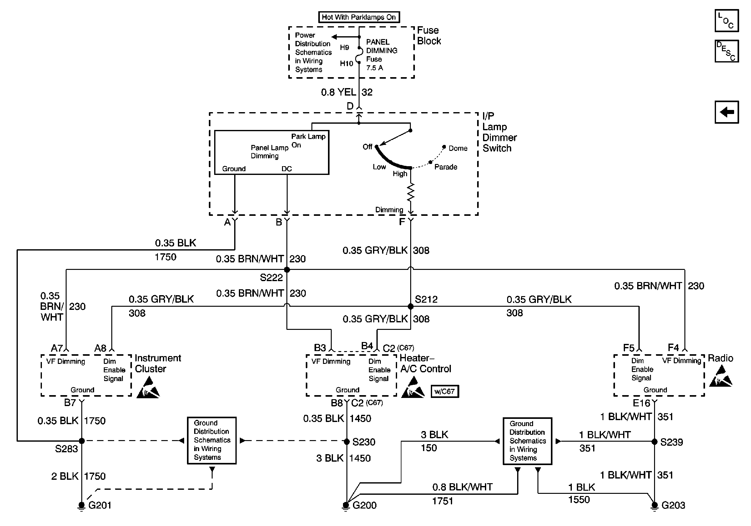
Figure
3:
I/P Lamp Dimmer Switch, Radio, Instrument Cluster and Heater- A/C Control
Park Lamp Relay
Handling ESD Sensitive Parts Notice
Ground G201
Handling ESD Sensitive Parts Notice
Ground G200
Handling ESD Sensitive Parts Notice
Lighting Systems Components
Interior Lights Dimming Circuit Description
Steering Wheel Controls, Window and Door Lock Switches