GM Service Manual Online
For 1990-2009 cars only

Removal Procedure

Notice: Always connect or disconnect the wiring harness connector from the EBCM/EBTCM with the ignition switch in the OFF position. Failure to observe this precaution could result in damage to the EBCM/EBTCM.


    Object Number: 230405  Size: SH
  1. Turn the ignition switch to the OFF position.
  2. Pull out lock tab from the EBTCM harness connector (1).
  3. Disconnect the EBTCM harness connector .

  4. Object Number: 213438  Size: SH
  5. Disconnect the pump motor connector (3) at the bottom of the EBTCM.
  6. Remove the six EBTCM to BPMV screws (2) and discard.
  7. Important: Be careful not to damage seal. Do not pry apart using a tool.

    Important: Care must be taken not to damage the solenoid valves when the EBTCM is removed from the BPMV.

  8. Separate the EBTCM (1) from the BPMV (5) by gently pulling apart until separated.

  9. Object Number: 255233  Size: SH

    Important: Note the location and the orientation of the wave spring in order to aid during installation.

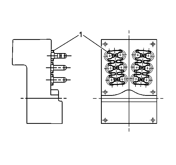
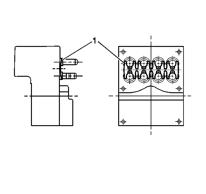
  10. If equipped with ABS, remove one wave spring (1) between the EBTCM and BPMV and discard.

  11. Object Number: 255236  Size: SH

    Important: Note the location and the orientation of the wave springs in order to aid during installation.

  12. If equipped with ABS/TCS remove two wave springs (1) between the EBTCM and BPMV and discard.

Installation Procedure

    Important: Only the new wave spring(s) and screws supplied with the new EBTCM should be used.

  1. Clean the BPMV gasket surface with alcohol using a clean rag.

  2. Object Number: 255233  Size: SH
  3. If equipped with ABS, install one wave spring (1) between the EBTCM and BPMV. Use location and orientation noted during removal.

  4. Object Number: 255236  Size: SH
  5. If equipped with ABS/TCS, install two wave springs (1) between the EBTCM and BPMV. Use locations and orientation noted during removal.

  6. Object Number: 213438  Size: SH

    Notice: Use the correct fastener in the correct location. Replacement fasteners must be the correct part number for that application. Fasteners requiring replacement or fasteners requiring the use of thread locking compound or sealant are identified in the service procedure. Do not use paints, lubricants, or corrosion inhibitors on fasteners or fastener joint surfaces unless specified. These coatings affect fastener torque and joint clamping force and may damage the fastener. Use the correct tightening sequence and specifications when installing fasteners in order to avoid damage to parts and systems.

  7. Install the EBTCM (1) to the BPMV (5).
  8. Tighten
    Tighten the top four mounting screws (2) to 2.9 N·m (26 lb in). Tighten screws in an X pattern.

    Tighten
    Tighten the bottom two mounting screws (2) to 2.9 N·m (26 lb in).

  9. Connect the pump motor connector (3) to the bottom of the EBTCM.

  10. Object Number: 230405  Size: SH
  11. Connect the EBTCM harness connector. Push in lock tab (1).
  12. Turn the ignition switch to the ON position, engine off.
  13. Perform the Diagnostic System Check - ABS .