GM Service Manual Online
For 1990-2009 cars only
Makes
🢒
Oldsmobile
🢒
2000
🢒
Intrigue
🢒
Body and Accessories
🢒
Wiring Systems
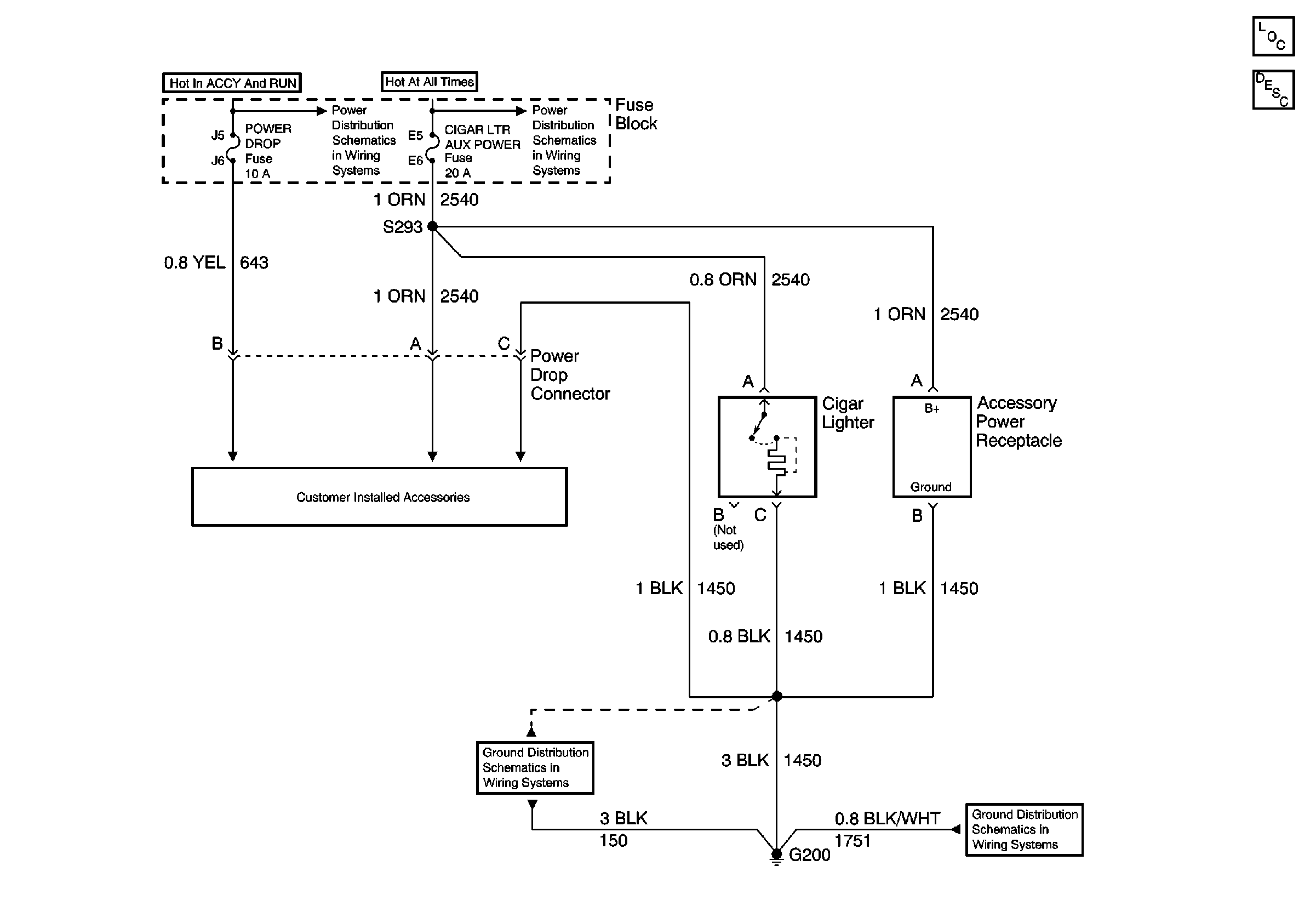
🢒 Cigar Lighter/Power Outlet Schematics
Cigar Lighter/Auxiliary Outlets Schematic
Ignition 1 MaxiFuse and Ignition Switch
Battery, MaxiFuses, Fusible Links and Crank Relay
Ground G301 2 of 3
Ground G301 2 of 3