GM Service Manual Online
For 1990-2009 cars only
Makes
🢒
Oldsmobile
🢒
2000
🢒
Intrigue
🢒
Body and Accessories
🢒
Instrument Panel, Gauges, and Console
🢒 Audible Warnings Schematics
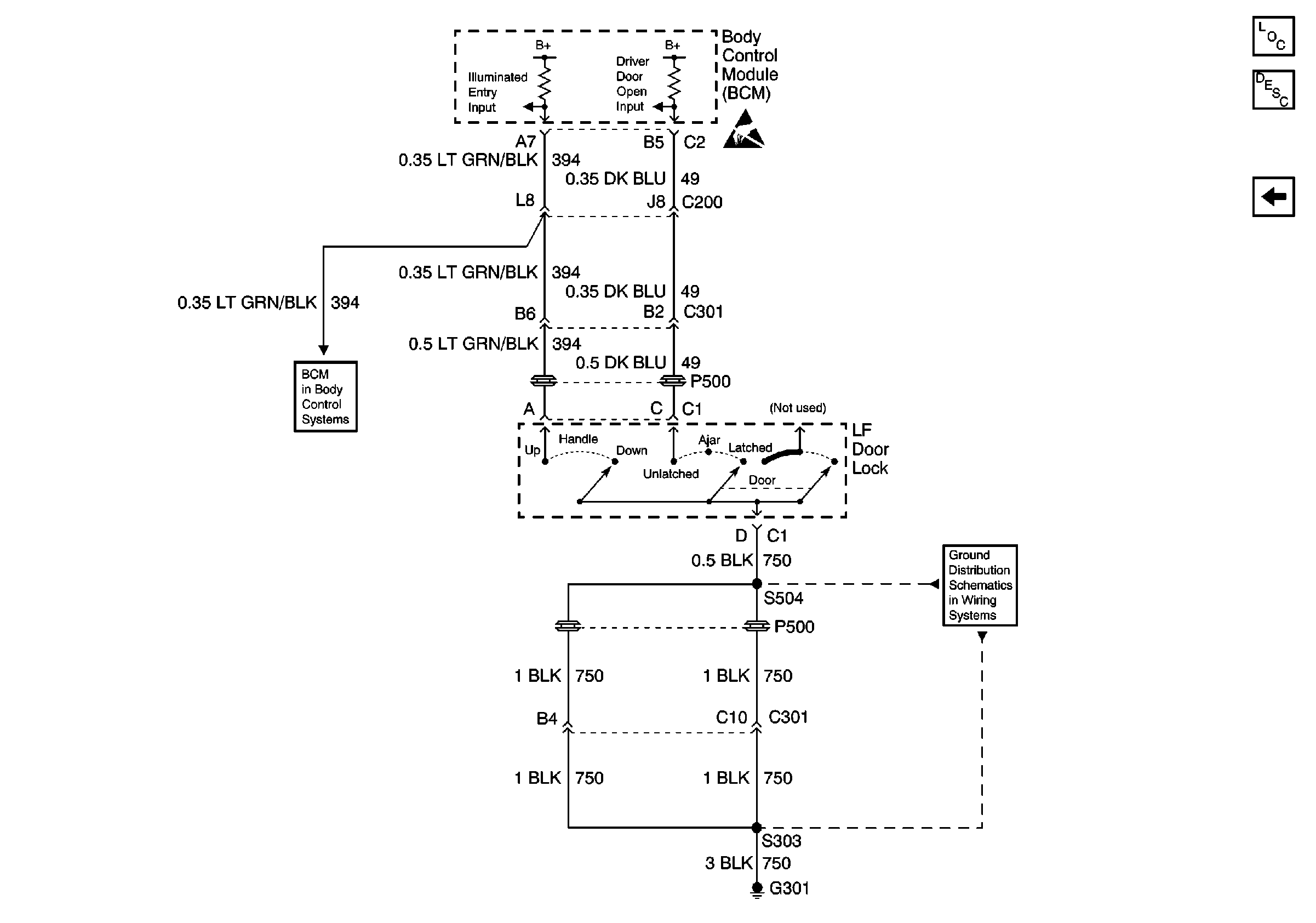
Figure
1:
Power/Grounds, Serial Data
Instrument Cluster Components
Audible Warnings Circuit Description
Inputs (1 of 2)
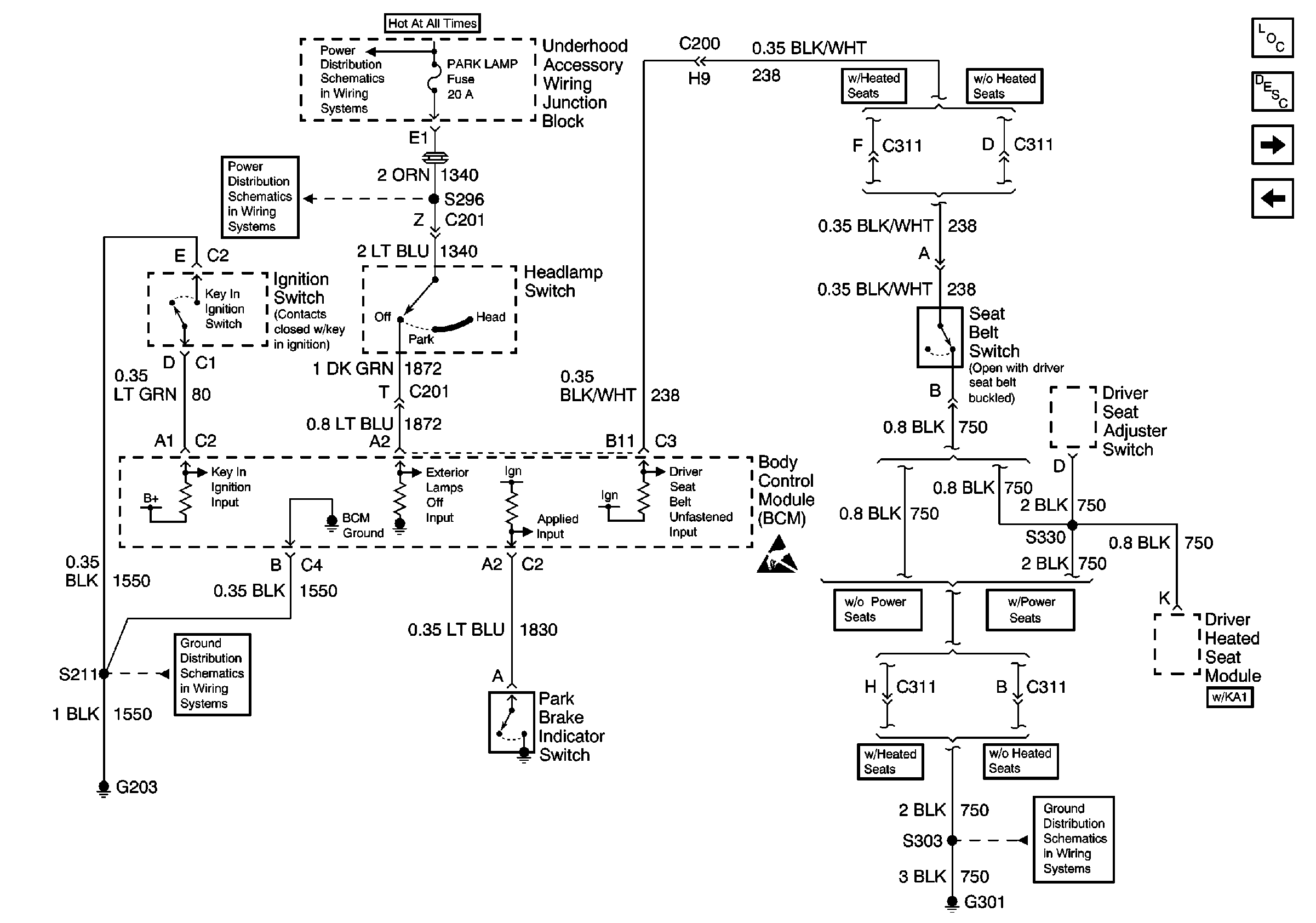
Figure
2:
Inputs (1 of 2)
Instrument Cluster Components
Audible Warnings Circuit Description
Inputs (2 of 2)
Power/Grounds, Serial Data
Figure
3:
Inputs (2 of 2)
Instrument Cluster Components
Audible Warnings Circuit Description
Inputs (1 of 2)