GM Service Manual Online
For 1990-2009 cars only
Makes
🢒
Oldsmobile
🢒
2000
🢒
Intrigue
🢒
Body and Accessories
🢒
Keyless Entry
🢒 Keyless Entry Schematics
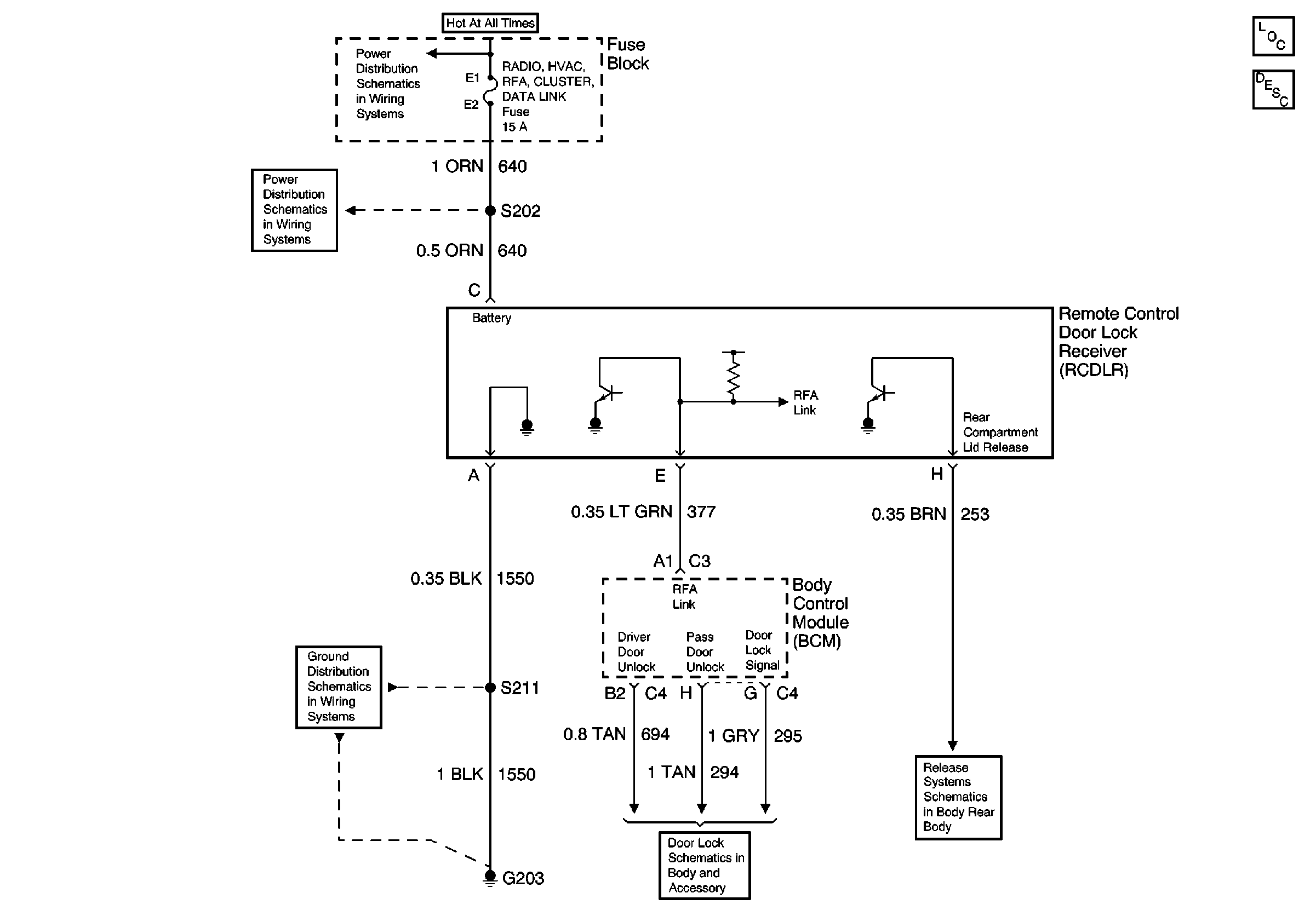
Battery, MaxiFuses, Fusible Links and Crank Relay
Radio/HVAC/RFA/Cluster/DATA Link, Cigar LTR./AUX Power and CD Changer Fuses
Ground G203
Outputs, Power/Ground Feeds
2k W3 Release System
Handling ESD Sensitive Parts Notice
Keyless Entry Components
Keyless Entry System Circuit Description