GM Service Manual Online
For 1990-2009 cars only
Makes
🢒
Oldsmobile
🢒
2000
🢒
Intrigue
🢒
Body and Accessories
🢒
Doors
🢒 Door Lock/Indicator Schematics
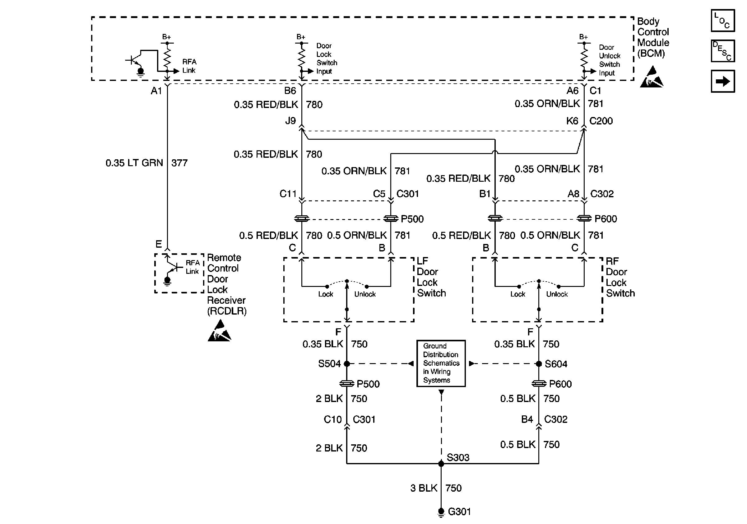
Figure
1:
Inputs
Handling ESD Sensitive Parts Notice
Ground G301 1 of 3
Handling ESD Sensitive Parts Notice
Power Door Systems Components
Power Door Locks Circuit Description
Outputs, Power/Ground Feeds
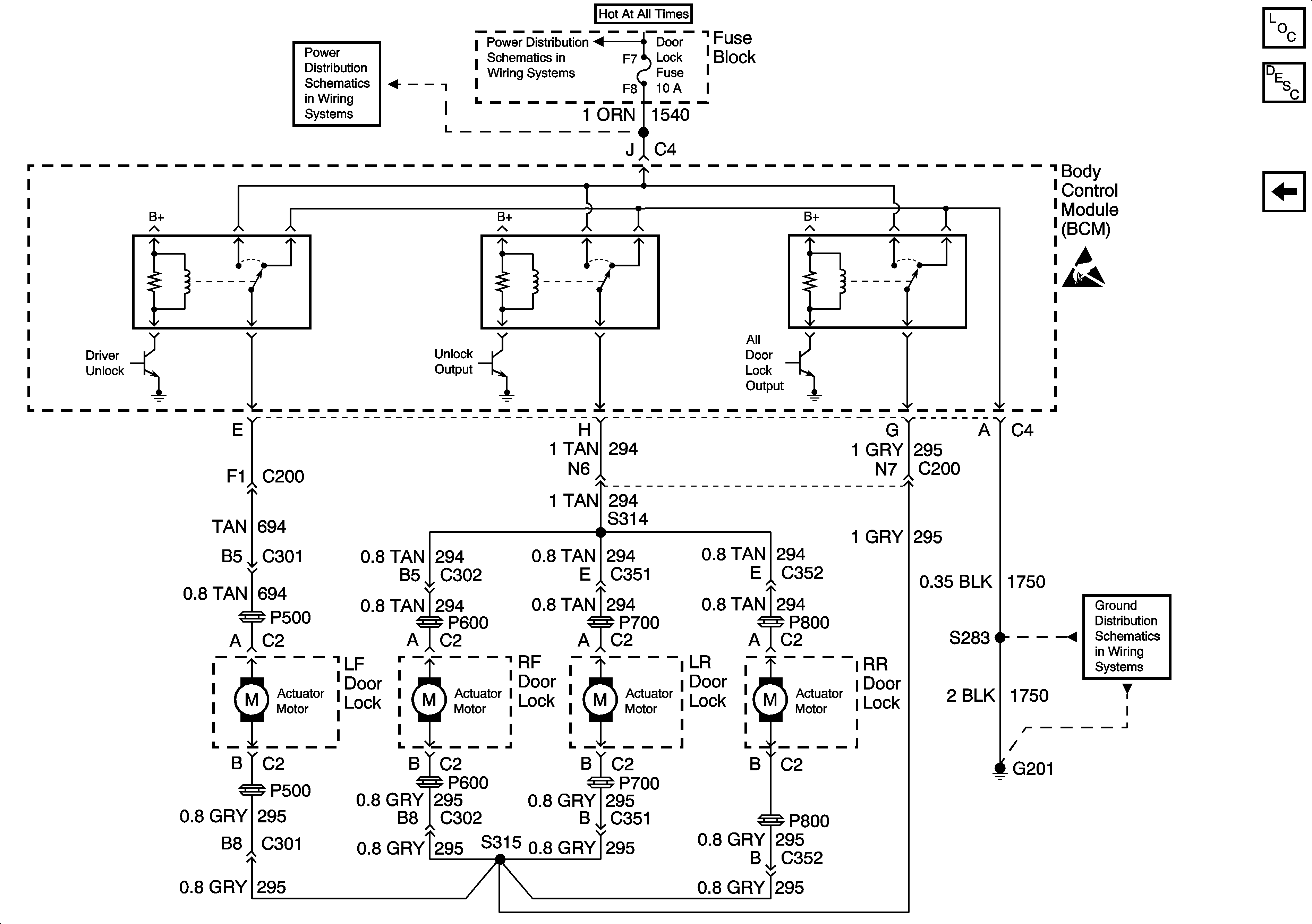
Figure
2:
Outputs, Power/Ground Feeds
Ground G201
Power Door Systems Components
Power Door Locks Circuit Description
Inputs
Battery, MaxiFuses, Fusible Links and Crank Relay
Battery, MaxiFuses, Fusible Links and Crank Relay