GM Service Manual Online
For 1990-2009 cars only
Makes
🢒
Oldsmobile
🢒
2000
🢒
Intrigue
🢒
Body and Accessories
🢒
Seats
🢒 Power Seats Schematics
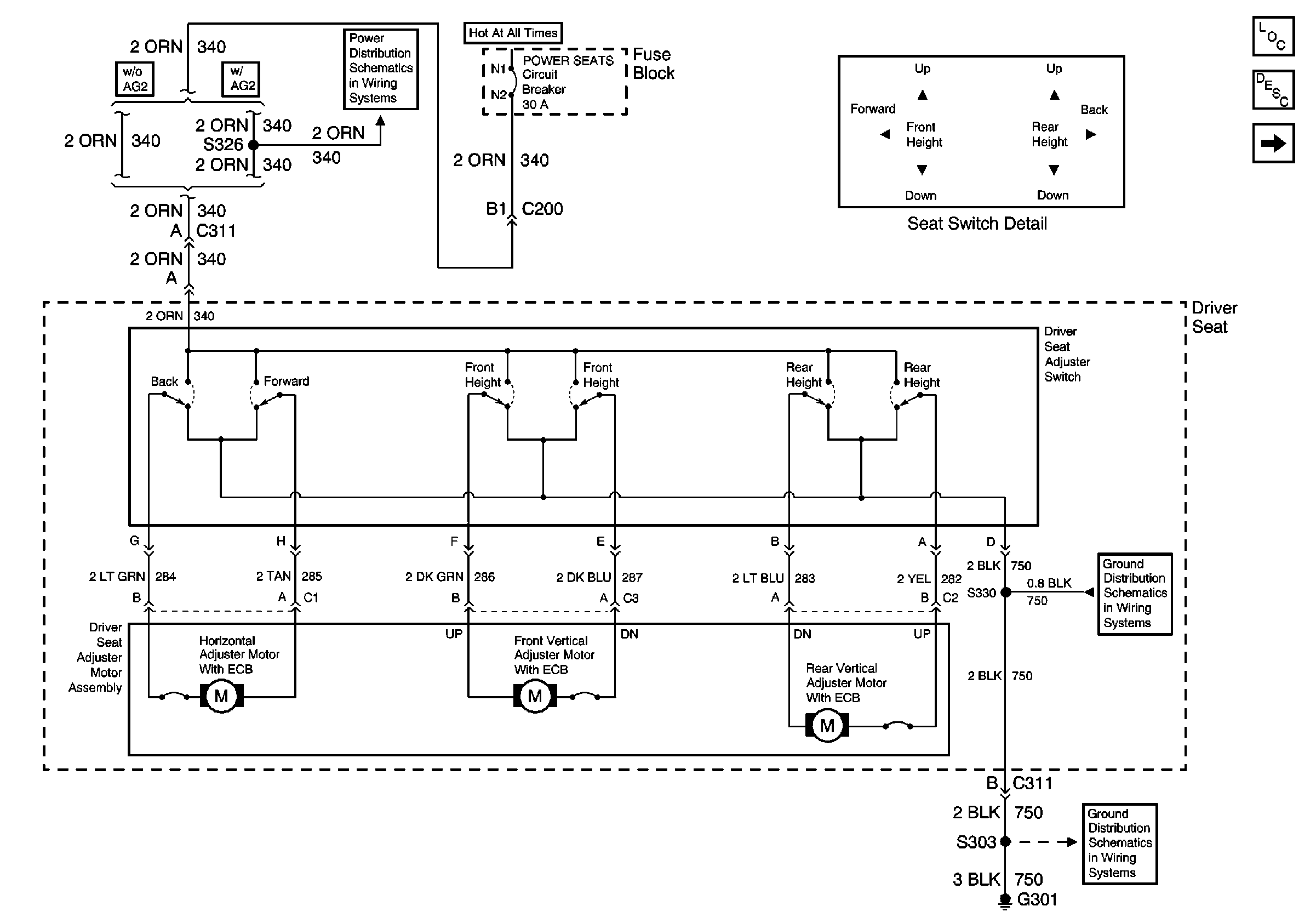
Figure
1:
Driver Seat
Figure
2:
Passenger Seat, if Equipped
Power Seat Systems Components
Power Seats Circuit Description
Driver Seat
PWR Windows/Pwr Sunroof, Rear Defog and Power Seats Circuit Breakers
Ground G301 2 of 3