GM Service Manual Online
For 1990-2009 cars only
Makes
🢒
Oldsmobile
🢒
2000
🢒
Intrigue
🢒
Body and Accessories
🢒
Seats
🢒 Heated Seats Schematics
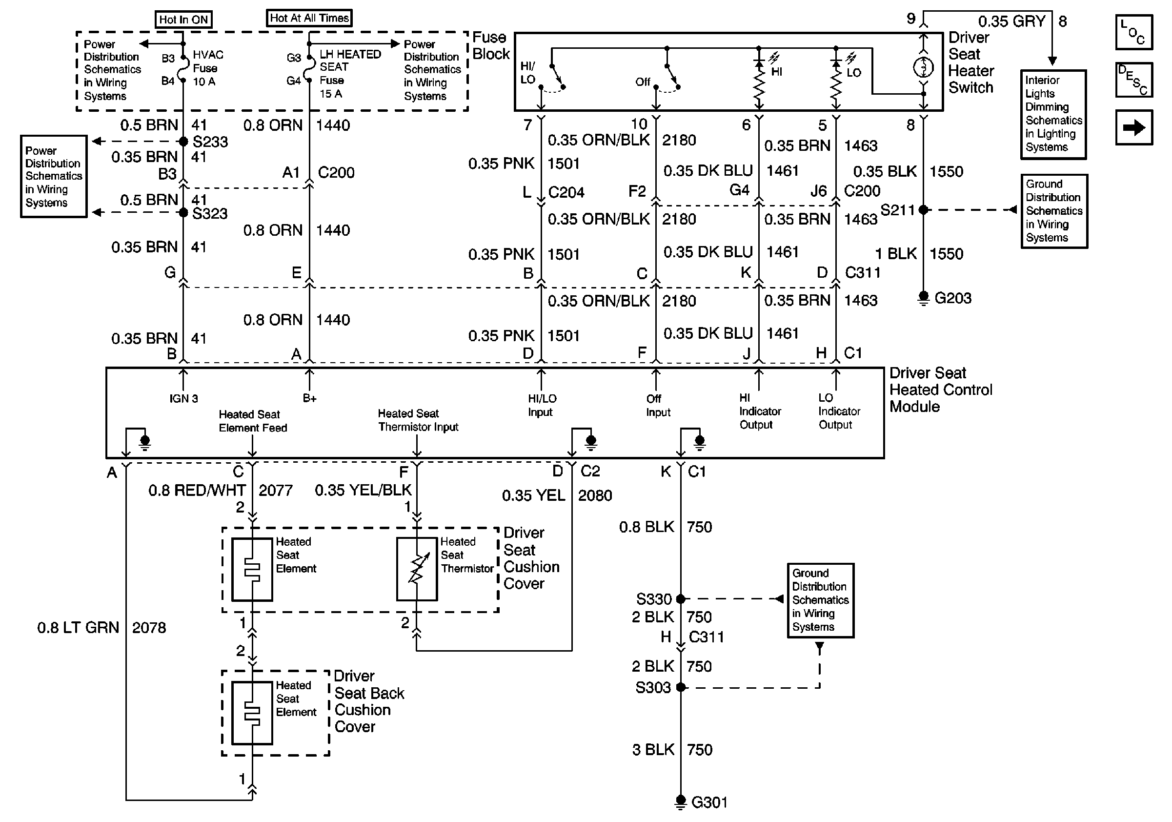
Figure
1:
Driver Seat
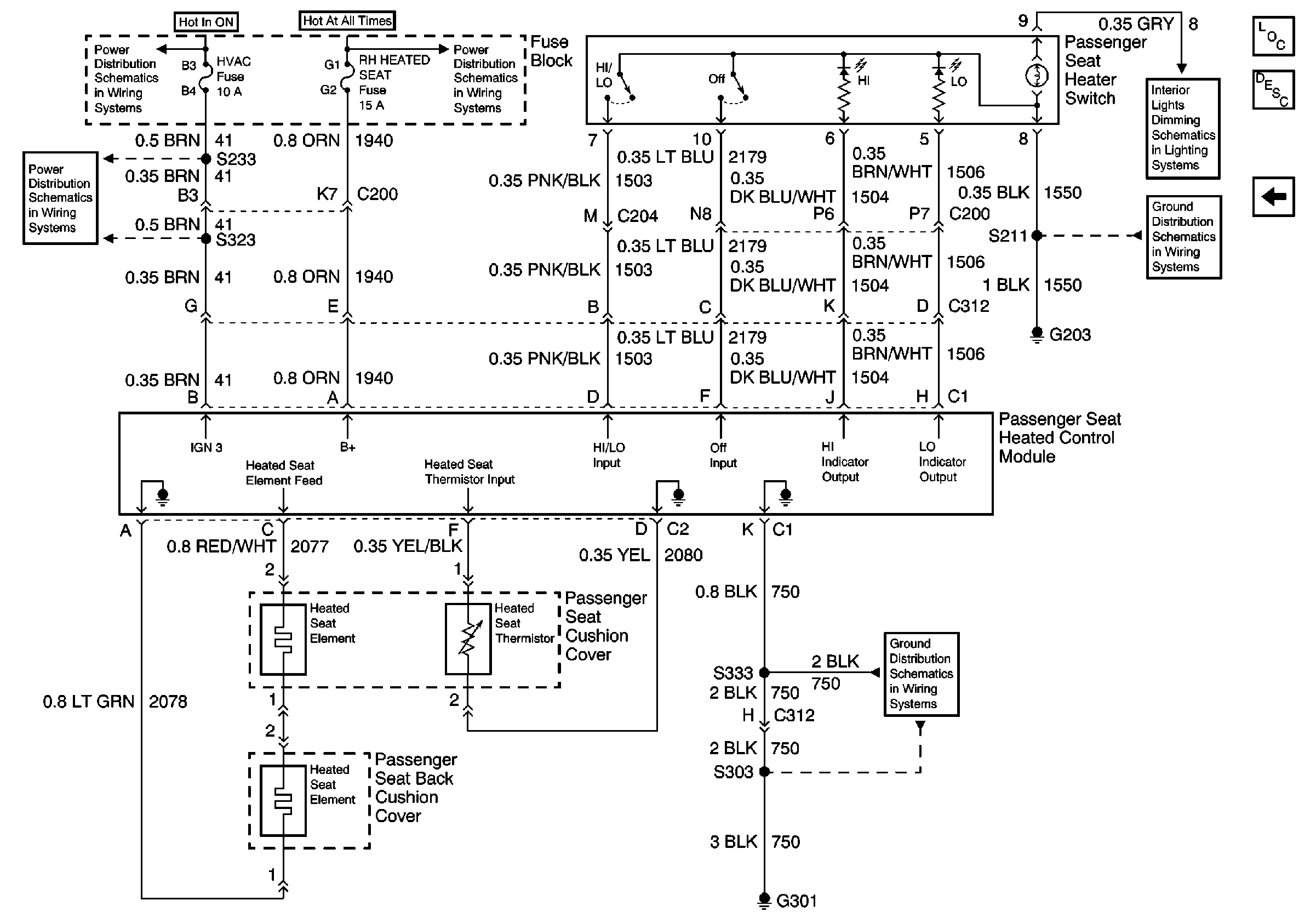
Figure
2:
Passenger Seat
Low Blower, Cruise and HVAC Fuses
Low Blower, Cruise and HVAC Fuses
Heated Seat Fuses
Fused Distribution, Switches, and Instrument Cluster
Ground G203
Power Seat Systems Components
Heated Seats Circuit Description
Driver Seat
Ground G301 2 of 3