GM Service Manual Online
For 1990-2009 cars only
Makes
🢒
Oldsmobile
🢒
2000
🢒
Intrigue
🢒 Cell 66
Cell 66
Cell 66
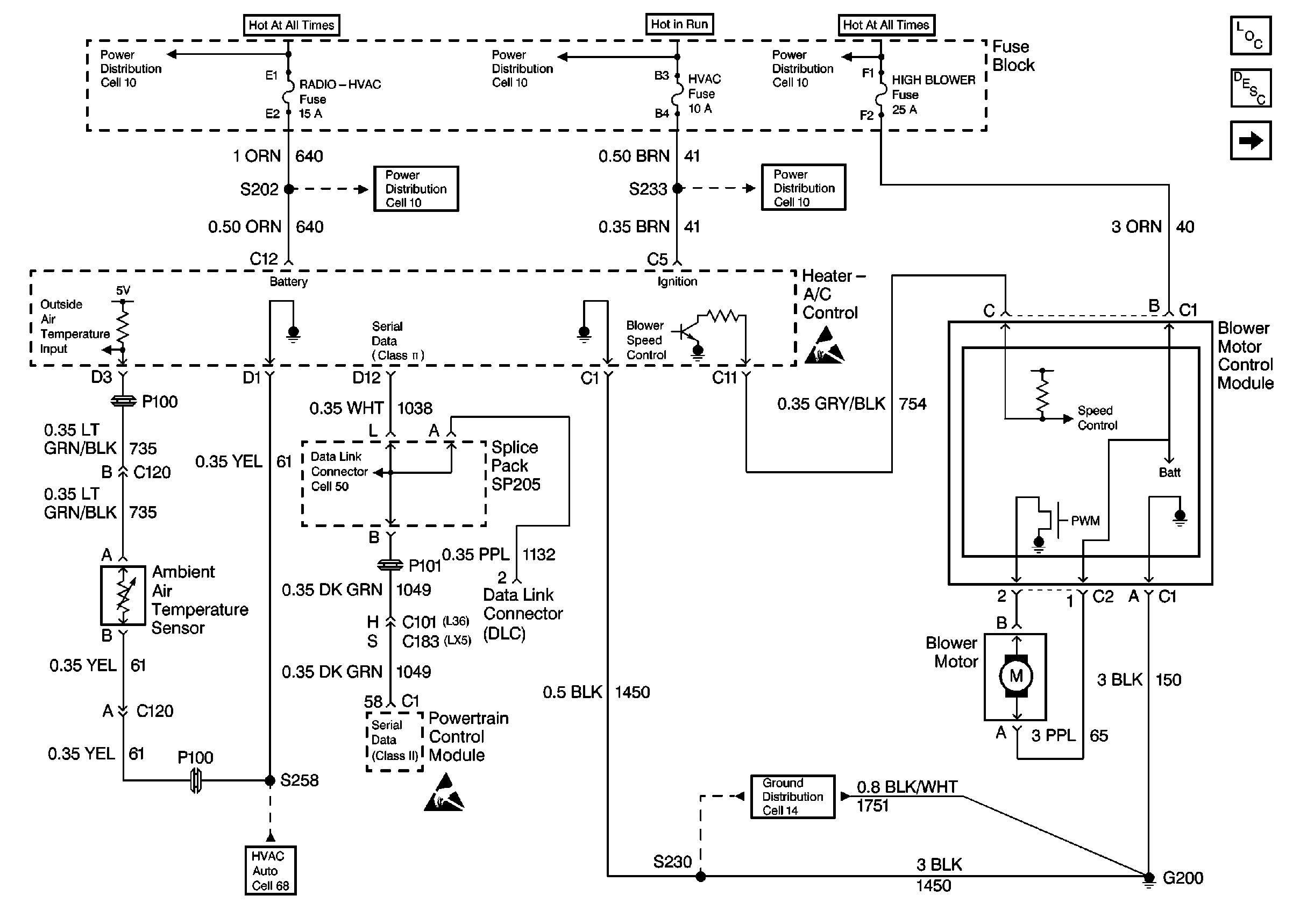
Cell 10: Battery, Generator, EBTCM, and Underhood Accessory Wiring Junction Block
Cell 10: Battery, Generator, EBTCM, and Underhood Accessory Wiring Junction Block
Cell 10: Battery, Generator, EBTCM, and Underhood Accessory Wiring Junction Block
Cell 10: Battery, Generator, EBTCM, and Underhood Accessory Wiring Junction Block
Cell 10: Battery, Generator, EBTCM, and Underhood Accessory Wiring Junction Block
Handling Electrostatic Discharge Sensitive Parts Notice
Cell 68: Power Distribution, Ground Distribution, Heater A/C Control, Serial Data and Sensor Inputs
Data Link Connector Schematics
Handling Electrostatic Discharge Sensitive Parts Notice
Cell 14: Forward Lamp Grounds G101, and G102
HVAC Components
HVAC Blower Controls Circuit Description
Cell 67