GM Service Manual Online
For 1990-2009 cars only
Makes
🢒
Oldsmobile
🢒
2000
🢒
Intrigue
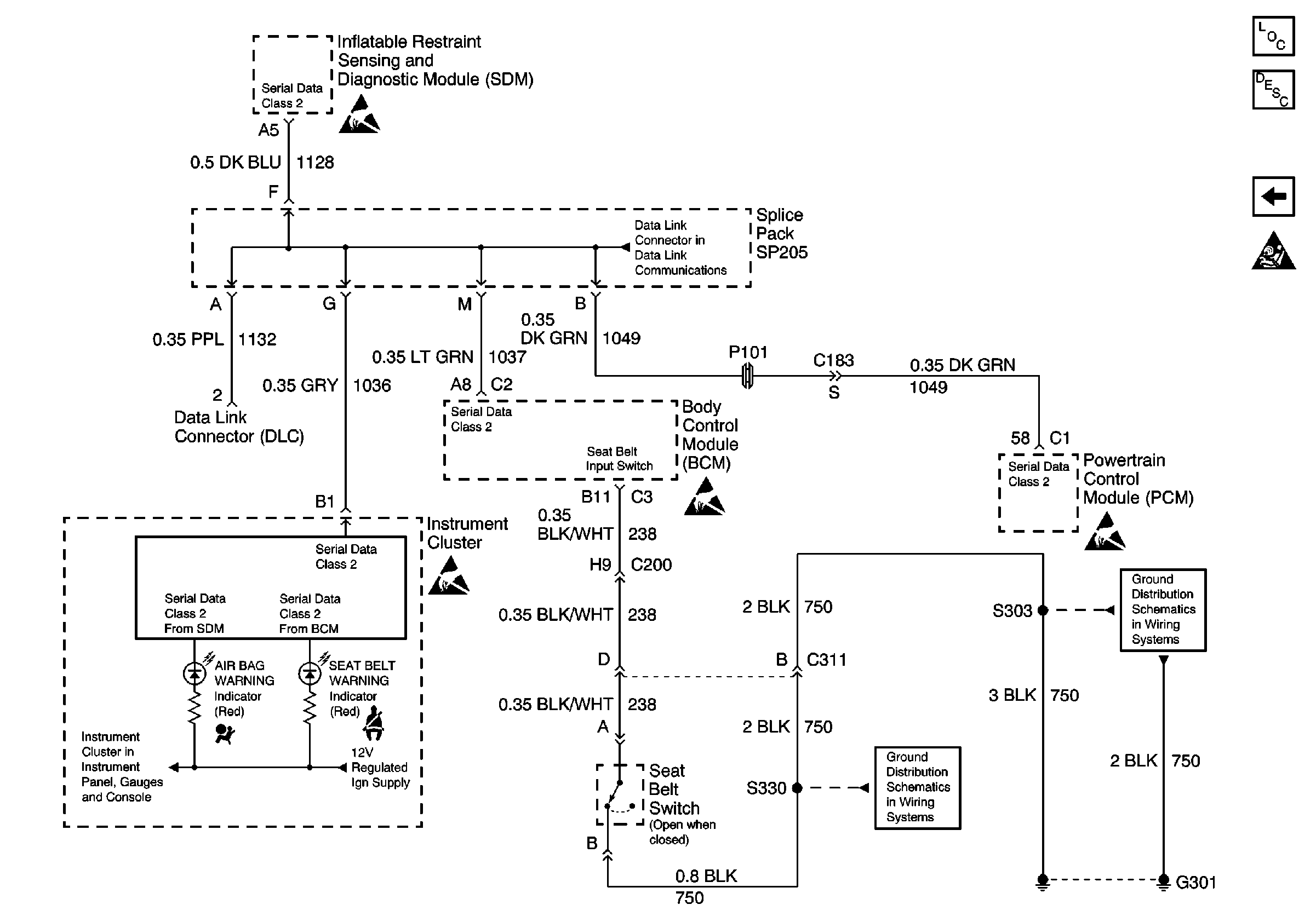
🢒 Serial Data, Seat Belt Switch Input
Serial Data, Seat Belt Switch Input
Serial Data, Seat Belt Switch Input
SIR Component Views
SIR System Component Description and Definitions
Power/Grounds, Inflator Modules
SIR Handling Caution