GM Service Manual Online
For 1990-2009 cars only
Makes
🢒
Oldsmobile
🢒
2000
🢒
Intrigue
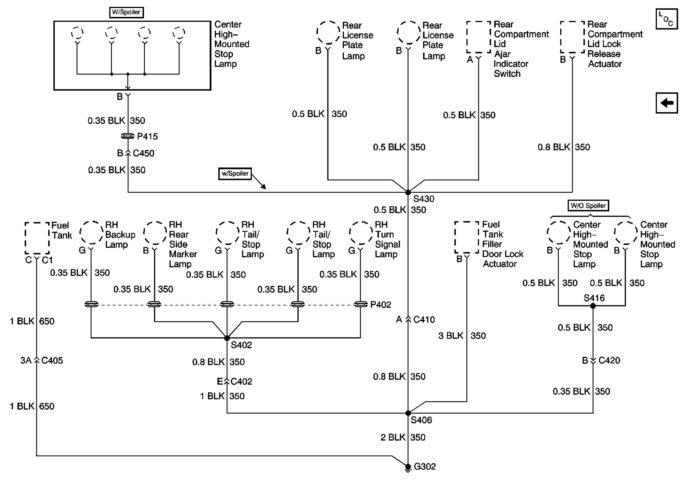
🢒 Ground G302 2 of 2
Ground G302 2 of 2
Ground G302 2 of 2
Power and Grounding Components
Ground G302 1 of 2