GM Service Manual Online
For 1990-2009 cars only

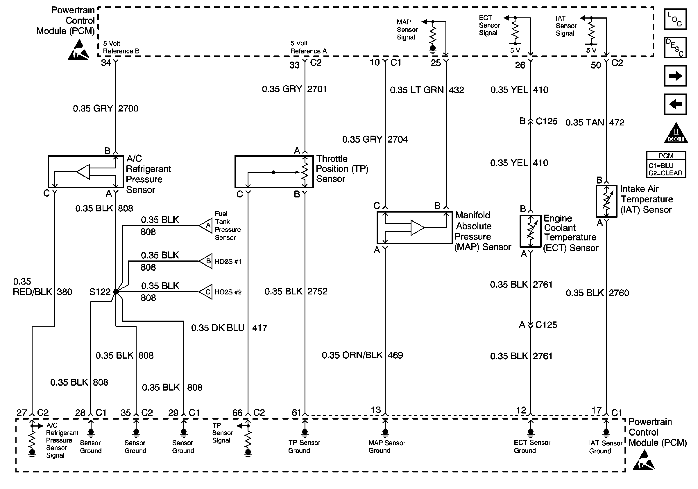
Refer to Engine Controls Schematics

A/C Pressure Switch, TPS, MAP, ECT and IAT


Object Number: 590134  Size: FS
Handling ESD Sensitive Parts Notice
Handling ESD Sensitive Parts Notice
Engine Controls Component Views
Powertrain Control Module Description
Heated O2 Sensors
Fuel Injectors
OBD II Symbol Description Notice
.

Circuit Description

The intake air temperature (IAT) sensor contains a semiconductor device which changes resistance based on temperature. The IAT sensor is located in the air intake passage of the engine air induction system. The IAT sensor has a signal circuit and a ground circuit. The powertrain control module (PCM) applies about 5 volts on the signal circuit to the sensor. The PCM monitors changes in this voltage caused by changes in the resistance of the sensor to determine intake air temperature.

When the intake air is cold, the sensor resistance is high, and the PCM signal voltage is only pulled down a small amount through the sensor to ground. Therefore, the PCM will sense a high signal voltage or a low temperature. When the intake air is warm, the sensor resistance is low, and the signal voltage is pulled down a greater amount. This causes the PCM to sense a low signal voltage or a high temperature.

Conditions for Running the DTC

    • No engine coolant temperature (ECT) sensor, mass air flow (MAF) sensor, or vehicle speed sensor (VSS) diagnostic trouble codes (DTCs) present
    • The engine has been running for over 3 minutes.
    • The engine coolant temperature is more than 60°C (140°F).
    • The vehicle speed is less than 35 mph.

Conditions for Setting the DTC

IAT signal voltage intermittently indicates an intake air temperature less than -34°C (-29°F).

Action Taken When the DTC Sets

    • The powertrain control module (PCM) stores the DTC information into memory when the diagnostic runs and fails.
    • The malfunction indicator lamp (MIL) will not illuminate.
    • The PCM records the operating conditions at the time the diagnostic fails. The PCM stores this information in the Failure Records.

Conditions for Clearing the MIL/DTC

    • A History DTC will clear after 40 consecutive warm-up cycles, if no failures are reported by this or any other non-emission related diagnostic.
    • The current DTC will clear when the diagnostic runs and does not fail.
    • Use a scan tool in order to clear the MIL diagnostic trouble code.
    • Interrupting the PCM battery voltage may or may not clear DTCs. This practice is not recommended. Refer to Powertrain Control Module Description , Clearing Diagnostic Trouble Codes.

Diagnostic Aids

Notice: Use the connector test adapter kit J 35616-A for any test that requires probing the following items:

   • The PCM harness connectors
   • The electrical center fuse/relay cavities
   • The component terminals
   • The component harness connector
Using this kit will prevent damage caused by the improper probing of connector terminals.

Check for the following conditions:

    • A faulty connection at the PCM or sensor -- Inspect harness connectors for backed out terminals, improper mating, broken locks, improperly formed or damaged terminals, and poor terminal to wire connection.
    • A damaged harness -- Inspect the wiring harness for damage. If the harness appears to be OK, observe the IAT display on the scan tool while moving connectors and wiring harnesses related to the IAT sensor. A change in the IAT display will indicate the location of the malfunction.
    • A skewed or incorrectly calibrated IAT sensor -- Refer to the Temperature Versus Resistance table .

Reviewing the Failure Records vehicle mileage since the diagnostic test last failed may help determine how often the condition occurs that caused the DTC to set . This may assist in diagnosing the condition.

If the problem is intermittent, refer to Intermittent Conditions .

Step

Action

Values

Yes

No

1

Did you perform the Powertrain On-Board Diagnostic (OBD) System Check?

--

Go to Step 2

Go to Powertrain On Board Diagnostic (OBD) System Check

2

Select DTC info, Last Test Fail and note any other DTCs set.

Is DTC P0113 also set?

--

Go to DTC P0113 Intake Air Temperature (IAT) Sensor Circuit High Voltage

Go to Step 3

3

Is DTC P1106, P1115, and/or P1121 also set?

--

Go to Step 6

Go to Step 4

4

  1. Check for a poor sensor ground circuit terminal connection at the IAT sensor. Refer to Testing for Intermittent Conditions and Poor Connections in Wiring Systems.
  2. If a problem is found, repair as necessary. Refer to Connector Repairs or Wiring Repairs in Wiring Systems.

Was a problem found and corrected?

--

Go to Step 10

Go to Step 5

5

  1. Check for a poor IAT signal circuit terminal connection at the IAT sensor. Testing for Intermittent Conditions and Poor Connections
  2. If a problem is found, repair as necessary. Refer to Connector Repairs or Wiring Repairs in Wiring Systems.

Was a problem found and corrected?

--

Go to Step 10

Go to Step 6

6

  1. Check the IAT signal circuit between the IAT sensor connector and the PCM for an intermittent open. Refer to Testing for Intermittent Conditions and Poor Connections in Wiring Systems.
  2. If a problem is found, repair as necessary. Refer to Connector Repairs or Wiring Repairs in Wiring Systems.

Was a problem found and corrected?

--

Go to Step 10

Go to Step 7

7

  1. Check the IAT signal circuit between the IAT sensor connector and the PCM for an intermittent short to voltage. Refer to Testing for Intermittent Conditions and Poor Connections in Wiring Systems.
  2. If a problem is found, repair as necessary. Refer to Connector Repairs or Wiring Repairs in Wiring Systems.

Was a problem found and corrected?

--

Go to Step 10

Go to Step 8

8

  1. Check for a poor sensor ground circuit terminal connection at the PCM. Refer to Testing for Intermittent Conditions and Poor Connections in Wiring Systems.
  2. If a problem is found, repair as necessary. Refer to Connector Repairs or Wiring Repairs in Wiring Systems.

Was a problem found and corrected?

--

Go to Step 10

Go to Step 9

9

  1. Check for an intermittent open in the sensor ground circuit.
  2. If a problem is found, repair as necessary. Refer to Testing for Intermittent Conditions and Poor Connections in Wiring Systems.

Was a problem found and corrected?

--

Go to Step 10

Go to Diagnostic Aids

10

  1. Clear the DTCs with the scan tool.
  2. Turn the key to OFF and wait 15 seconds.
  3. Operate the vehicle within the conditions that are required for this diagnostic to run. Refer to the Conditions for Running the DTC.

Does the scan tool indicate that this test ran and passed?

--

Go to Step 11

Go to Step 2

11

Review the Captured Info using the scan tool.

Are there any DTCs that have not been diagnosed?

--

Go to the applicable DTC table

System OK