GM Service Manual Online
For 1990-2009 cars only

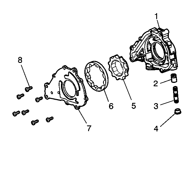
    Object Number: 256675  Size: SH
  1. Remove the fasteners (8) holding the pump housing halves (7, 1) together.
  2. Remove the inner (drive) and the outer (driven) rotors (5, 6) from the housing. Note the orientation of the pump rotors.

  3. Object Number: 576590  Size: SH
  4. The outer rotor has a dimple identifying its outer surface. The dimpled side of the outer rotor must always be facing outward.

  5. Object Number: 256675  Size: SH
  6. Remove the oil pressure relief valve components (2-4) as follows:
  7. 4.1. Remove the threaded pressure relief valve cap (4).
    4.2. Slide the pressure relief valve spring (3) and pressure relief valve piston (2) out of its bore.