GM Service Manual Online
For 1990-2009 cars only

Tools Required

    • J 42038 Camshaft Holding Fixture
    • J 43032 Crankshaft Rotation Socket

Removal Procedure

  1. Remove the camshaft covers. Refer to Camshaft Cover Replacement - Left Side and Camshaft Cover Replacement - Right Side .
  2. Rotate the crankshaft to TDC of the # 1 cylinders compression stroke using the J 43032 , the flats machined into the rear of the camshafts should be parallel and facing the cylinder head.

  3. Object Number: 539986  Size: SH

    Caution: The camshaft holding tools must be installed on the camshafts to prevent camshaft rotation. When performing service to the valve train and/or timing components, valve spring pressure can cause the camshafts to rotate unexpectedly and can cause personal injury.

  4. Install the J 42038 to the rear of the camshafts on the left and right cylinder heads.
  5. Remove the engine front cover. Refer to Engine Front Cover Replacement .

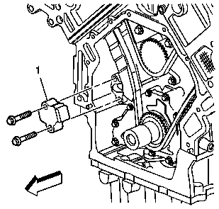
  6. Object Number: 235192  Size: SH
  7. Loosen both primary timing chain tensioner bolts.
  8. Remove the lower primary timing chain tensioner bolt allowing the tensioner to swing downward and expand. This will release tension on the primary drive chain.
  9. Remove the upper tensioner bolt.
  10. Remove the primary drive chain tensioner (1).

Installation Procedure


    Object Number: 240843  Size: SH
  1. Collapse the primary timing chain tensioner using the following procedure:
  2. 1.1. Rotate the ratchet release lever (2) counterclockwise and hold.
    1.2. Collapse the tensioner shoe (1) and hold.
    1.3. Release the ratchet lever and slowly release the pressure on the shoe.
  3. As the ratchet lever moves to its first click, hold the tensioner shoe inward. Insert a pin through the hole in the release lever.
  4. The locked ratchet mechanism should hold the shoe in a collapsed position.

  5. Object Number: 235192  Size: SH

    Notice: Use the correct fastener in the correct location. Replacement fasteners must be the correct part number for that application. Fasteners requiring replacement or fasteners requiring the use of thread locking compound or sealant are identified in the service procedure. Do not use paints, lubricants, or corrosion inhibitors on fasteners or fastener joint surfaces unless specified. These coatings affect fastener torque and joint clamping force and may damage the fastener. Use the correct tightening sequence and specifications when installing fasteners in order to avoid damage to parts and systems.

    Important: Ensure the tensioner release lever is facing outward before tightening.

  6. Install the primary timing chain tensioner (1) and retaining bolts.
  7. Tighten
    Tighten the primary timing chain tensioner bolts to 25 N·m (18 lb ft).

  8. Ensure the crankshaft is at TDC of the # 1 cylinders compression stroke.

  9. Object Number: 742059  Size: SH
  10. Remove the pin holding the tensioner to tighten any slack in the timing chain.
  11. Verify correct timing chain and timing mark alignments. Refer to Setting Camshaft Timing .
  12. Install the engine front cover. Refer to Engine Front Cover Replacement .

  13. Object Number: 539986  Size: SH
  14. Remove the J 42038 from the camshafts on the left and right cylinder heads.
  15. Install the camshaft covers. Refer to Camshaft Cover Replacement - Left Side and Camshaft Cover Replacement - Right Side .