GM Service Manual Online
For 1990-2009 cars only
Figure 1:

Grounds G100, G101, G110


Object Number: 784852  Size: FS
Master Electrical Component List original
Ground G113
Figure 2:

Ground G113


Object Number: 784853  Size: FS
Master Electrical Component List original
Grounds G113, G117, G119
Grounds G100, G101, G110
Figure 3:

Grounds G113, G117, G119


Object Number: 784854  Size: FS
Master Electrical Component List original
Ground G200
Ground G113
Figure 4:

Ground G200


Object Number: 784855  Size: FS
Master Electrical Component List original
Ground G201
Grounds G113, G117, G119
Figure 5:

Ground G201


Object Number: 784856  Size: FS
Master Electrical Component List original
Ground G203
Ground G200
Figure 6:

Ground G203


Object Number: 784857  Size: FS
Master Electrical Component List original
Ground G301 (1 of 3)
Ground G201
Figure 7:

Ground G301 (1 of 3)


Object Number: 784858  Size: FS
Master Electrical Component List original
Ground G301 (2 of 3)
Ground G203
Figure 8:

Ground G301 (2 of 3)


Object Number: 682318  Size: FS
Master Electrical Component List original
Ground G301 (3 of 3)
Ground G301 (1 of 3)
Figure 9:

Ground G301 (3 of 3)


Object Number: 682330  Size: FS
Master Electrical Component List original
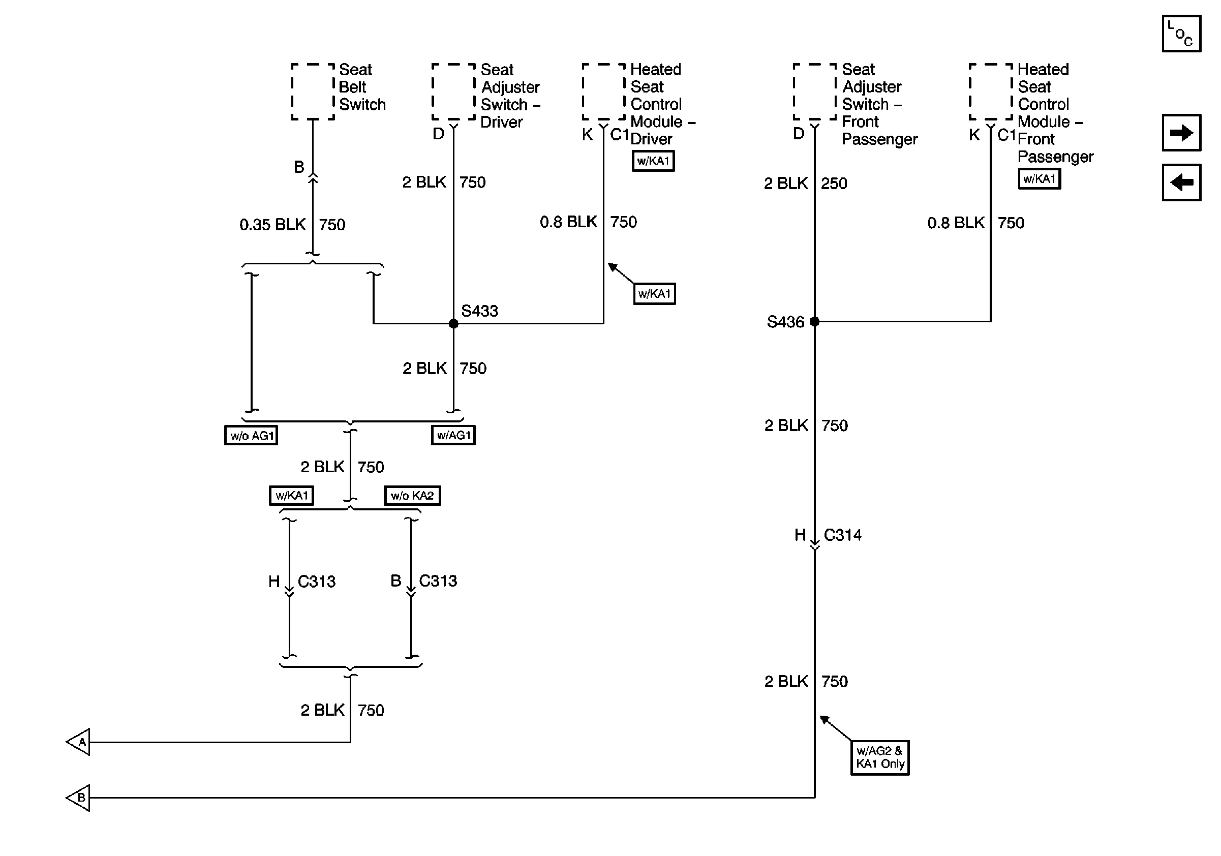
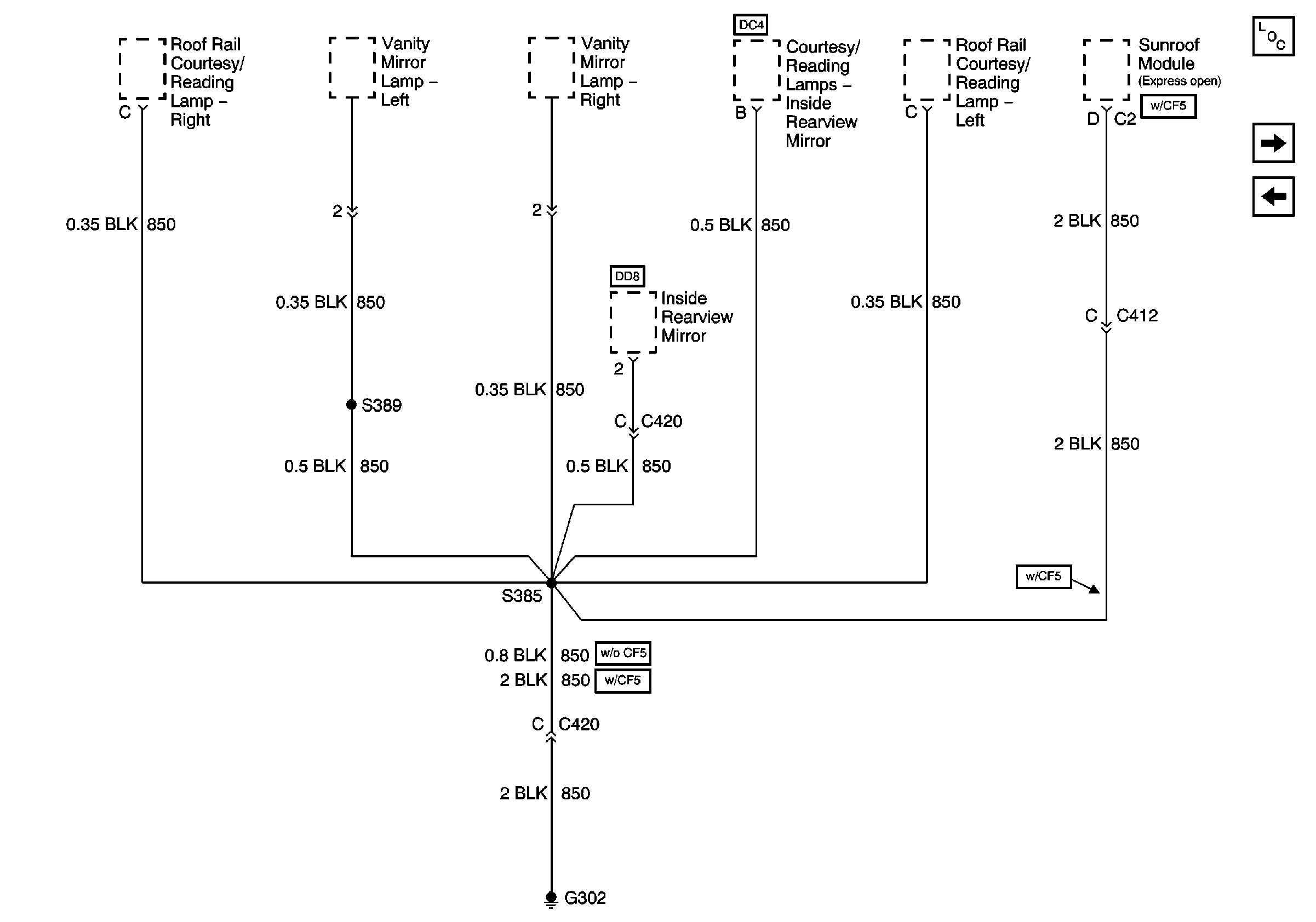
Ground G302 (1 of 2)
Ground G301 (2 of 3)
Figure 10:

Ground G302 (1 of 2)


Object Number: 682337  Size: FS
Master Electrical Component List original
Ground G302 (2 of 2)
Ground G301 (3 of 3)
Figure 11:

Ground G302 (2 of 2)


Object Number: 784861  Size: FS
Master Electrical Component List original
Ground G302 (1 of 2)