GM Service Manual Online
For 1990-2009 cars only
Makes
🢒
Oldsmobile
🢒
2001
🢒
Intrigue
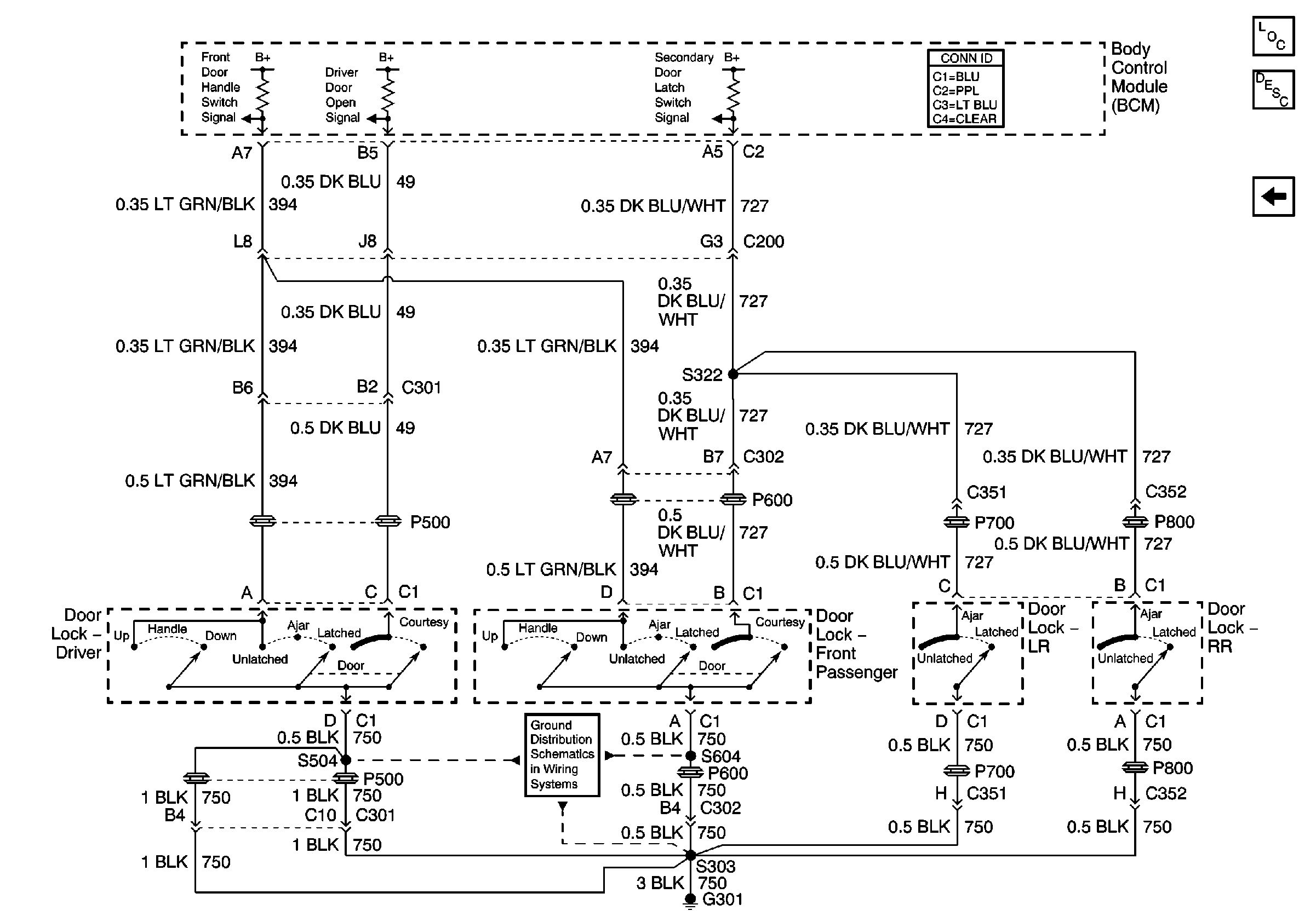
🢒 01 W-Car Olds: Retained Accessory Power (Illumination Entry Inputs)
01 W-Car Olds: Retained Accessory Power (Illumination Entry Inputs)
Illumination Entry Inputs
Master Electrical Component List original
Retained Accessory Power (RAP) Description and Operation
Power, Grounds and Serial Data
Ground G301 (1 of 3)