GM Service Manual Online
For 1990-2009 cars only
Makes
🢒
Oldsmobile
🢒
2001
🢒
Intrigue
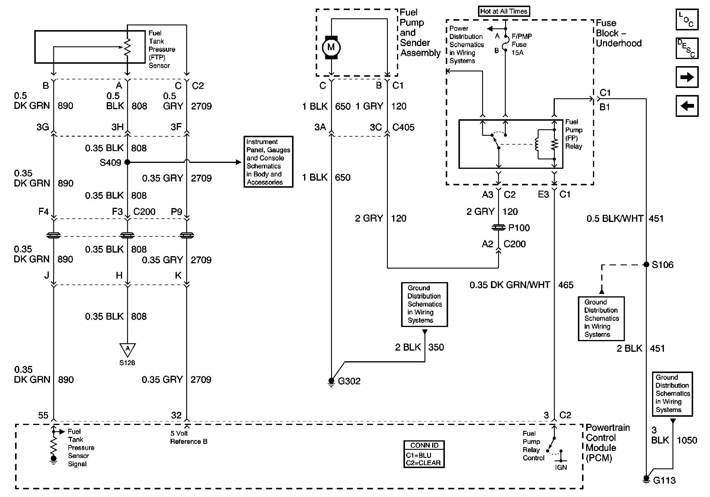
🢒 01 W-Car Olds: Engine Controls (Fuel Tank Inputs)
01 W-Car Olds: Engine Controls (Fuel Tank Inputs)
Fuel System Inputs
Master Electrical Component List original
Fuel System Description
Emission Inputs
01 W-Car Olds: Engine Controls (Crankshaft and Camshaft Position Sensors)
Battery, MaxiFuses, Fusible Link, CRANK, FOG, A/C CLU, R/CMPT, R/PMP, HORN, and IGN Main Relays
Ground G302 (2 of 2)
Ground G113
Grounds G113, G117, G119