GM Service Manual Online
For 1990-2009 cars only
Makes
🢒
Oldsmobile
🢒
2001
🢒
Intrigue
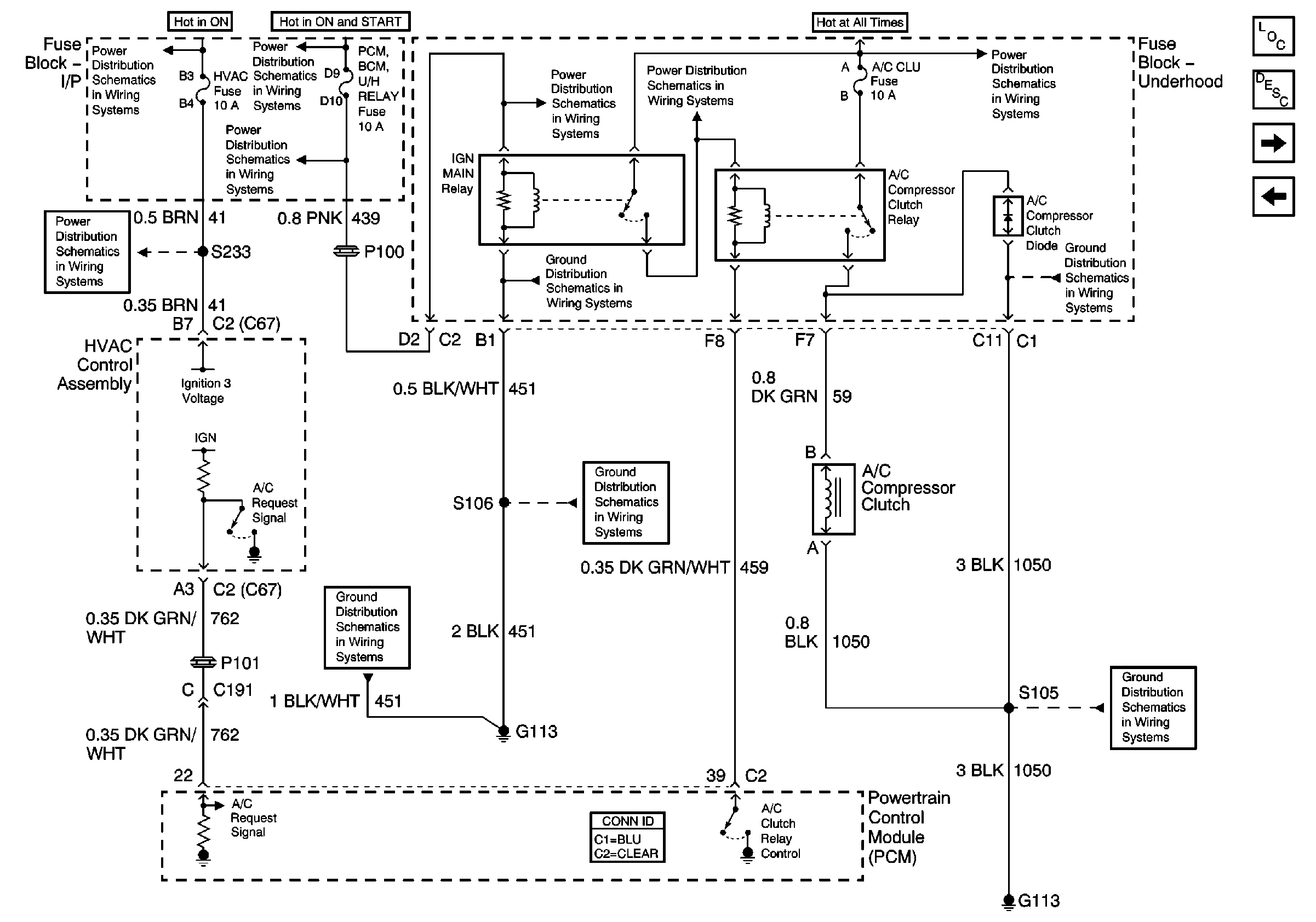
🢒 01 W-Car Olds: Engine Controls (A/C Request and A/C Clutch Relay Controls)
01 W-Car Olds: Engine Controls (A/C Request and A/C Clutch Relay Controls)
A/C Request and A/C Clutch Relay Control Signals
Master Electrical Component List original
Powertrain Control Module Description
01 W-Car Olds: Engine Controls (Transaxle Range Switch Outputs)
01 W-Car Olds: Engine Controls (VSS, EBCM and Cruise Control Modules)
Battery, MaxiFuses, Fusible Link, CRANK, FOG, A/C CLU, R/CMPT, R/PMP, HORN, and IGN Main Relays
Grounds G113, G117, G119
Battery, MaxiFuses, Fusible Link, CRANK, FOG, A/C CLU, R/CMPT, R/PMP, HORN, and IGN Main Relays
Battery, MaxiFuses, Fusible Link, CRANK, FOG, A/C CLU, R/CMPT, R/PMP, HORN, and IGN Main Relays
BTSI, Turn Signals/CORN LPS, Air Bag, Cluster, PCM/BCM/Crank/IGN Fuses
BTSI, Turn Signals/CORN LPS, Air Bag, Cluster, PCM/BCM/Crank/IGN Fuses
Low Blower, Cruise and HVAC Fuses
Low Blower, Cruise and HVAC Fuses
Ground G113
Ground G113
Grounds G113, G117, G119
Ground G113