GM Service Manual Online
For 1990-2009 cars only
Makes
🢒
Oldsmobile
🢒
2001
🢒
Intrigue
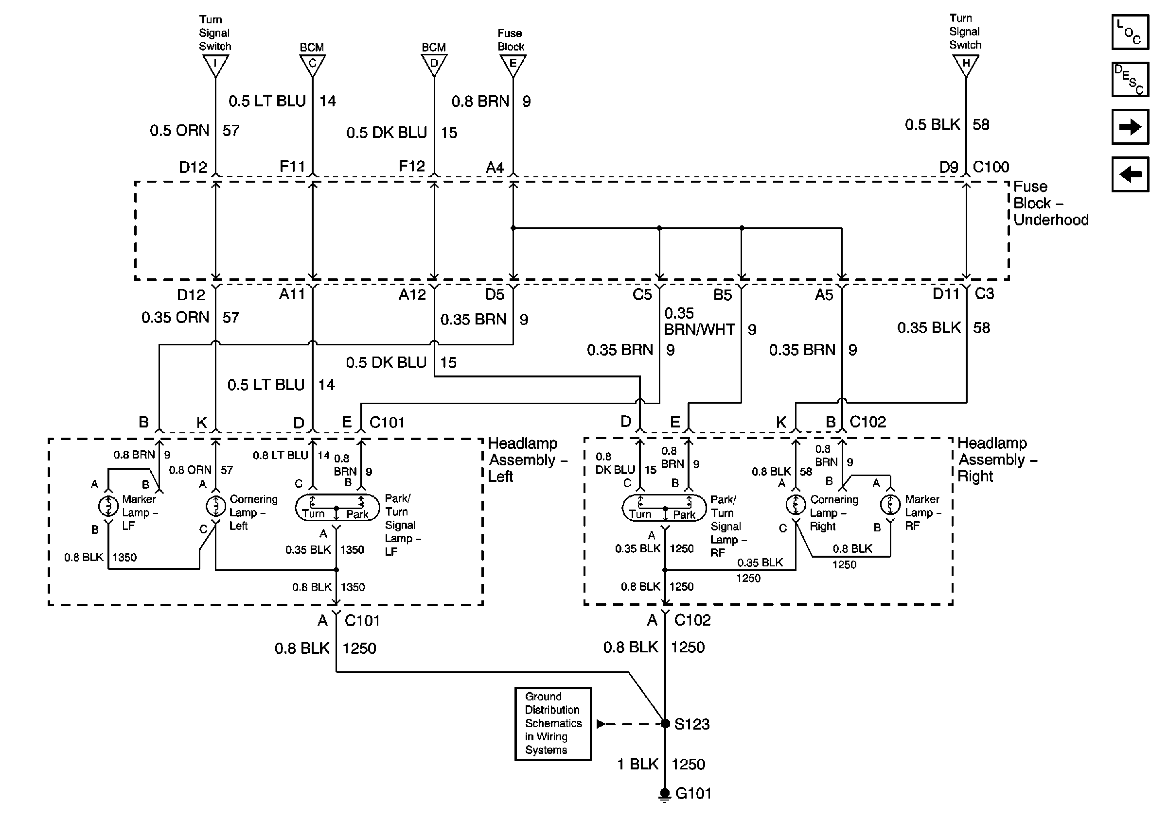
🢒 Front Park/Turn Signal Lamps, Front Cornering Lamps, Front Side Marker Lamps
Front Park/Turn Signal Lamps, Front Cornering Lamps, Front Side Marker Lamps
Front Park/Turn Signal Lamps, Front Cornering Lamps, Front Side Marker Lamps
Master Electrical Component List original
Exterior Lighting Systems Description and Operation
Tail/Stop Lamps, Rear Side Marker Lamps and License Plate Lamps Feed
Turn Signals
Grounds G100, G101, G110