GM Service Manual Online
For 1990-2009 cars only
Makes
🢒
Oldsmobile
🢒
2001
🢒
Intrigue
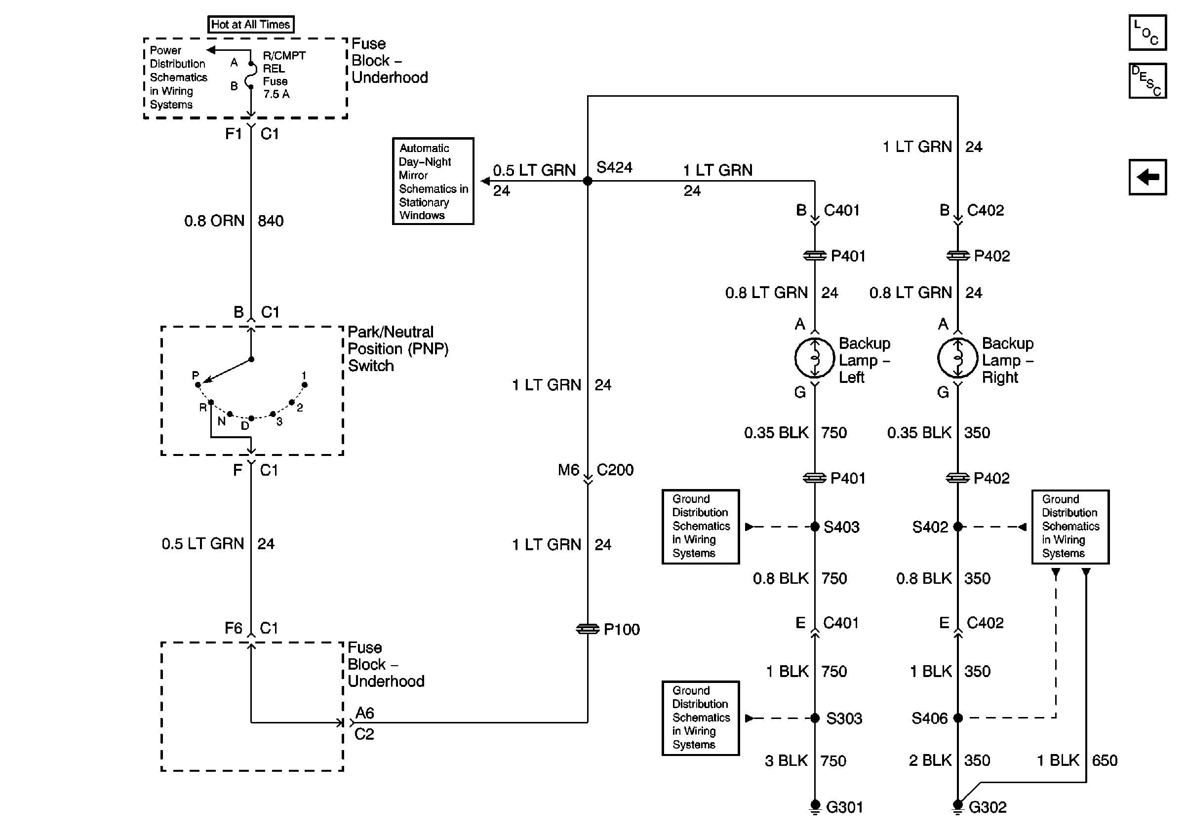
🢒 Backup Lamps
Backup Lamps
Backup Lamps
Master Electrical Component List original
Exterior Lighting Systems Description and Operation
Center High Mounted Stop Lamp
01 W-Car Olds: Automatic Day-Night Mirrors Schematics (Power and Grounds)
Battery, MaxiFuses, Fusible Link, CRANK, FOG, A/C CLU, R/CMPT, R/PMP, HORN, and IGN Main Relays
Ground G301 (3 of 3)
Ground G301 (2 of 3)
Ground G301 (1 of 3)