GM Service Manual Online
For 1990-2009 cars only
Makes
🢒
Oldsmobile
🢒
2001
🢒
Intrigue
🢒 Fused Distribution and Grounds
Fused Distribution and Grounds
Fused Distribution and Grounds
Master Electrical Component List original
Interior Lighting Systems Description and Operation
Steering Wheel Controls, Window and Door Lock Switches
Battery, MaxiFuses, Fusible Link, CRANK, FOG, A/C CLU, R/CMPT, R/PMP, HORN, and IGN Main Relays
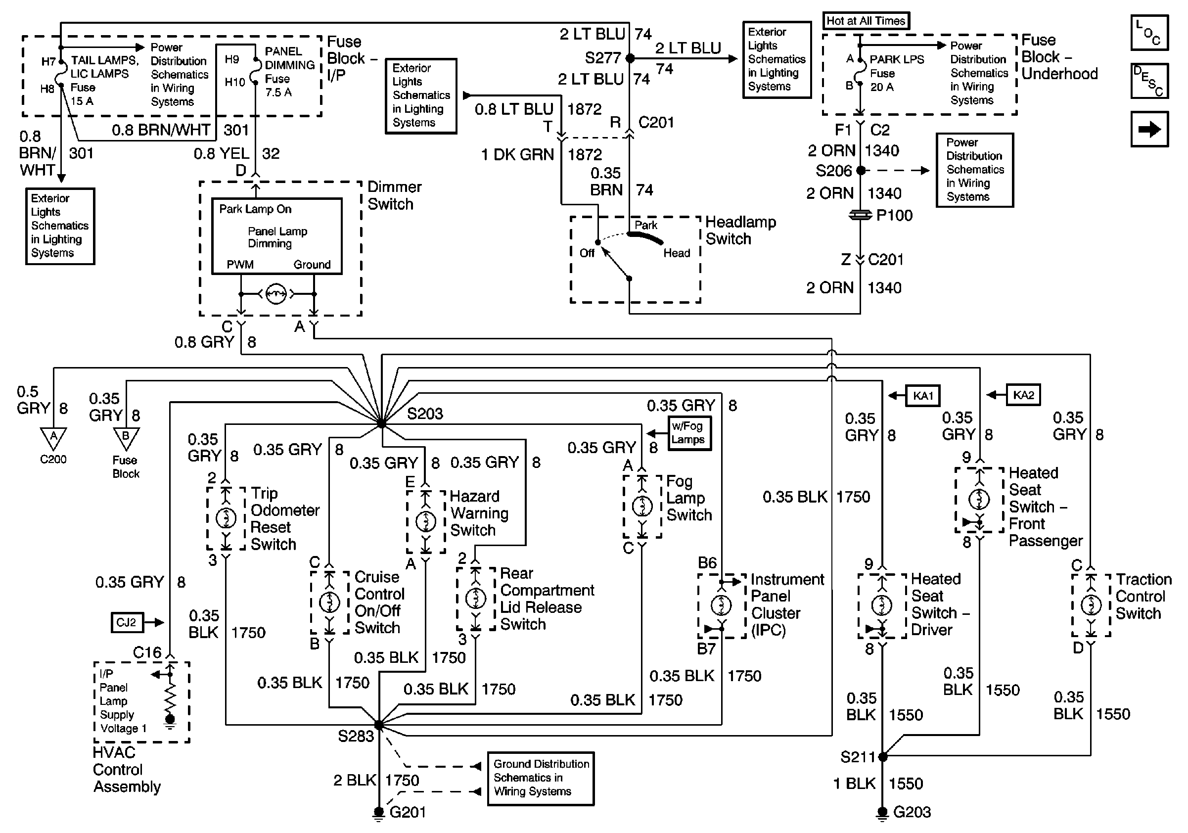
Park Lamps, Front Park Lamps, Tail Lamps/Lic Lamps, Panel Dimming Fuses, Headlamp Switch, Headlamp and Parklamp Relays
Tail/Stop Lamps, Rear Side Marker Lamps and License Plate Lamps Feed
Tail/Stop Lamps, Rear Side Marker Lamps and License Plate Lamps Feed
Park Lamps, Front Park Lamps, Tail Lamps/Lic Lamps, Panel Dimming Fuses, Headlamp Switch, Headlamp and Parklamp Relays
Tail/Stop Lamps, Rear Side Marker Lamps and License Plate Lamps
Ground G201