GM Service Manual Online
For 1990-2009 cars only
Makes
🢒
Oldsmobile
🢒
2001
🢒
Intrigue
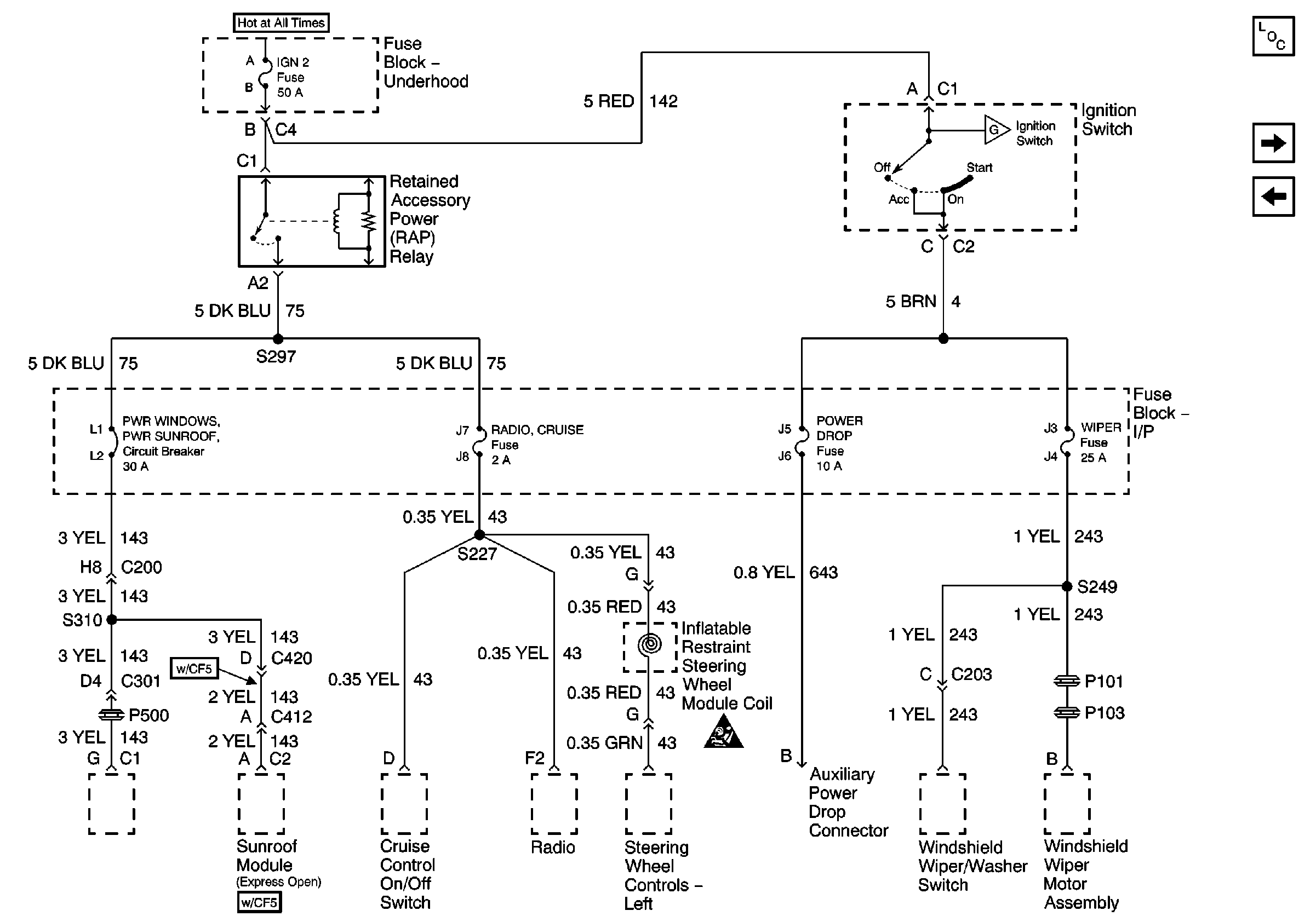
🢒 IGN 1, PWR Windows/PWR Sunroof, Radio/Cruise, Power Drop and Wiper Fuses
IGN 1, PWR Windows/PWR Sunroof, Radio/Cruise, Power Drop and Wiper Fuses
IGN 1, PWR Windows/PWR Sunroof, Radio/Cruise, Power Drop and Wiper Fuses
Master Electrical Component List original
BTSI, Turn Signals/CORN LPS, Air Bag, Cluster, PCM/BCM/Crank/IGN Fuses
F/INJR Fuses