GM Service Manual Online
For 1990-2009 cars only
Figure 1:

Power, Grounds, and Blower Controls


Object Number: 675216  Size: FS
Master Electrical Component List
Air Delivery Description and Operation
Power, Grounds, and Blower Controls
INADV POWER BUS/RAP, BCM, RADIO/HVAC/RFA CLUSTER/DATA LINK, RADIO AMP, and CIGAR LTR/AUX POWER/POWER DROP Fuses
INADV POWER BUS/RAP, BCM, RADIO/HVAC/RFA CLUSTER/DATA LINK, RADIO AMP, and CIGAR LTR/AUX POWER/POWER DROP Fuses
CRUISE SWITCH, LOW BLOWER, CRUISE, and HVAC Fuses
CRUISE SWITCH, LOW BLOWER, CRUISE, and HVAC Fuses
HIGH BLOWER, HAZARD, STOP LAMPS, DOOR LOCKS, and POWER MIRRORS Fuses
G200
G200
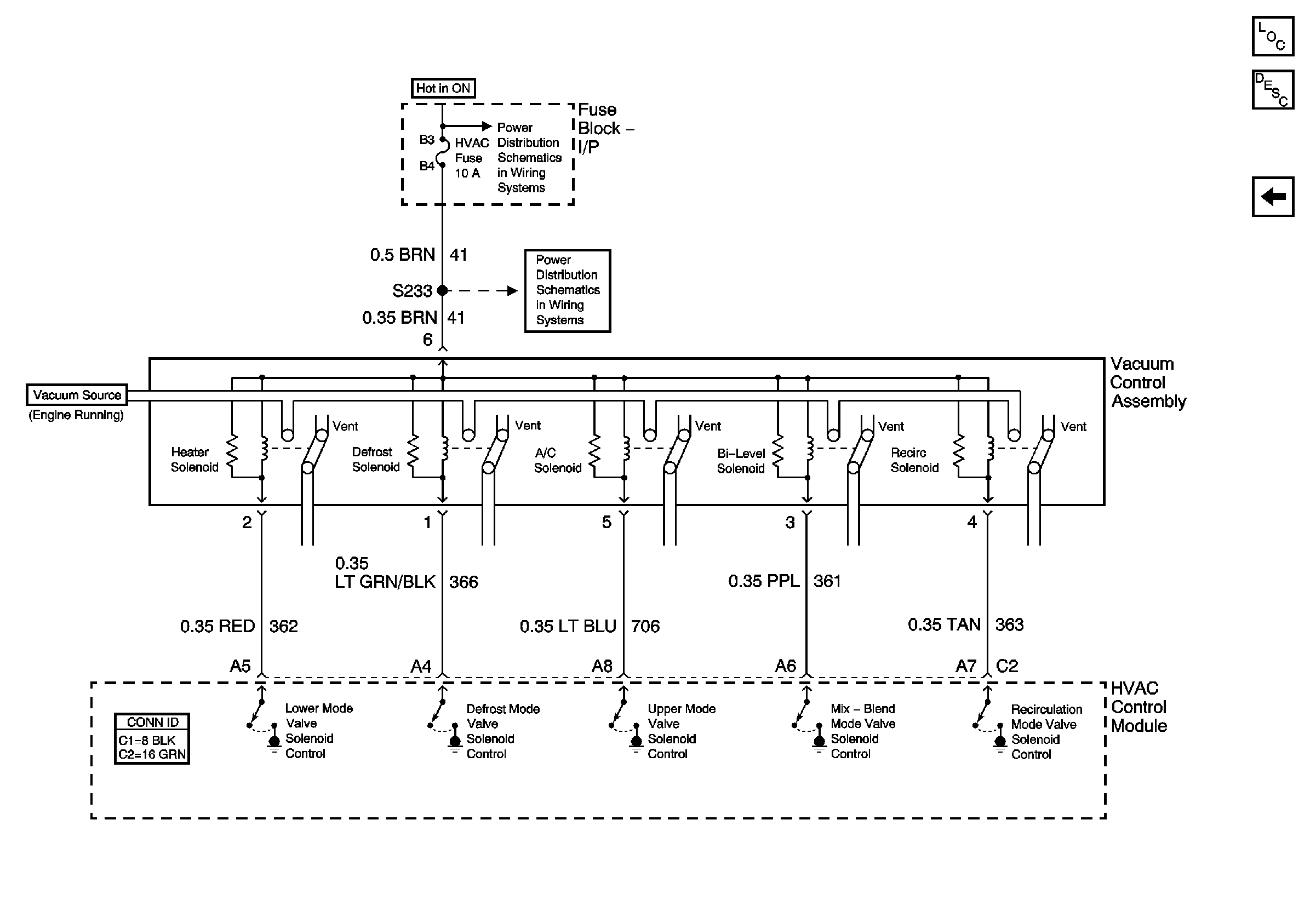
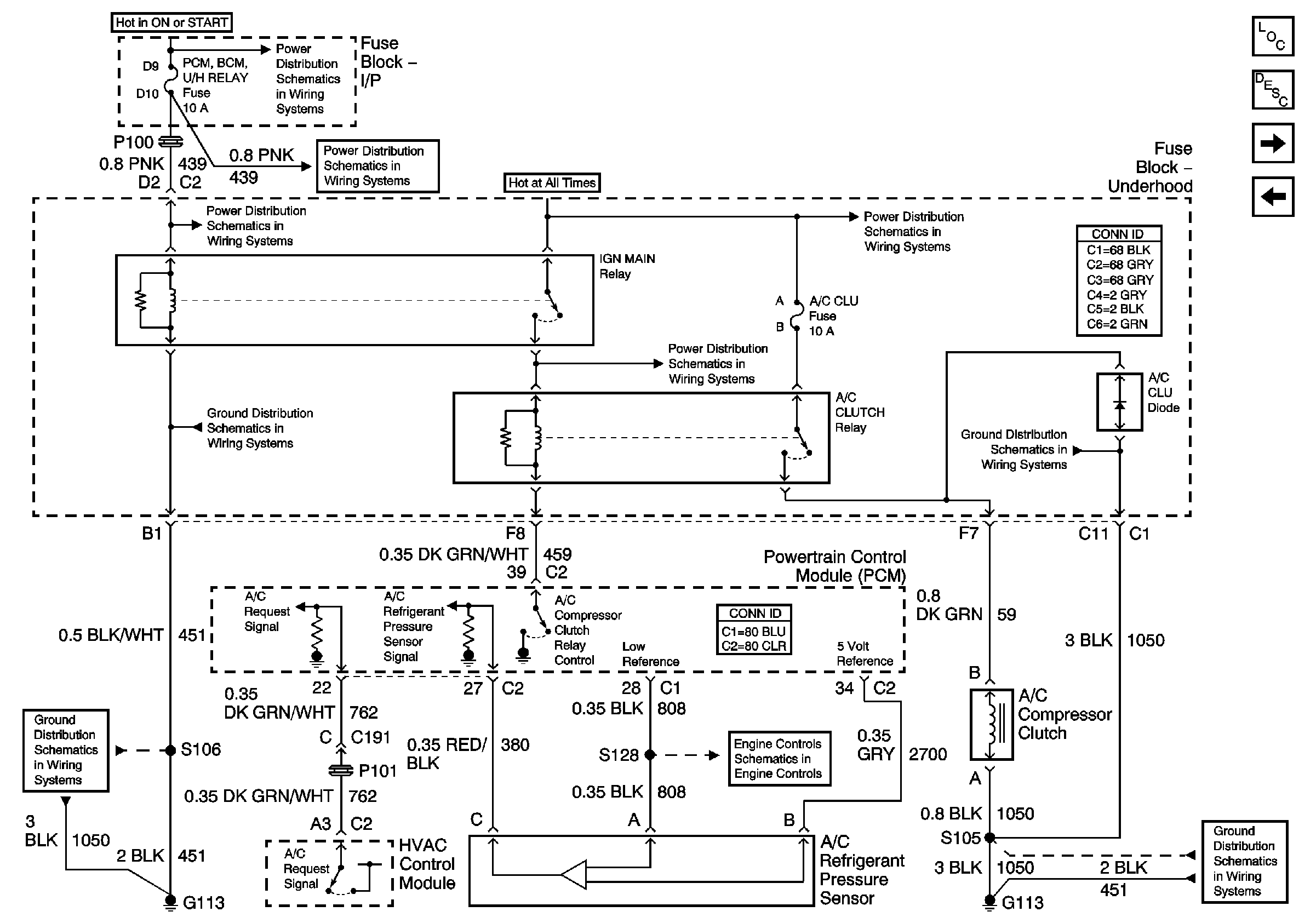
Figure 2:

Compressor Controls


Object Number: 675223  Size: FS
Master Electrical Component List
Air Temperature Description and Operation
Temperature Controls
Power, Grounds, and Blower Controls
BTSI, TURN SIGNALS/CORN LPS, AIR BAG, CLUSTER, and PCM/BCM/U H RELAY Fuses
BTSI, TURN SIGNALS/CORN LPS, AIR BAG, CLUSTER, and PCM/BCM/U H RELAY Fuses
BTSI, TURN SIGNALS/CORN LPS, AIR BAG, CLUSTER, and PCM/BCM/U H RELAY Fuses
Fuse Block-Underhood Bussing (2 of 2)
G113
Fuse Block-Underhood Bussing (2 of 2)
G113, G117, G119)
G113
5 Volt, and Low Reference Bussing
G113, G117, G119)
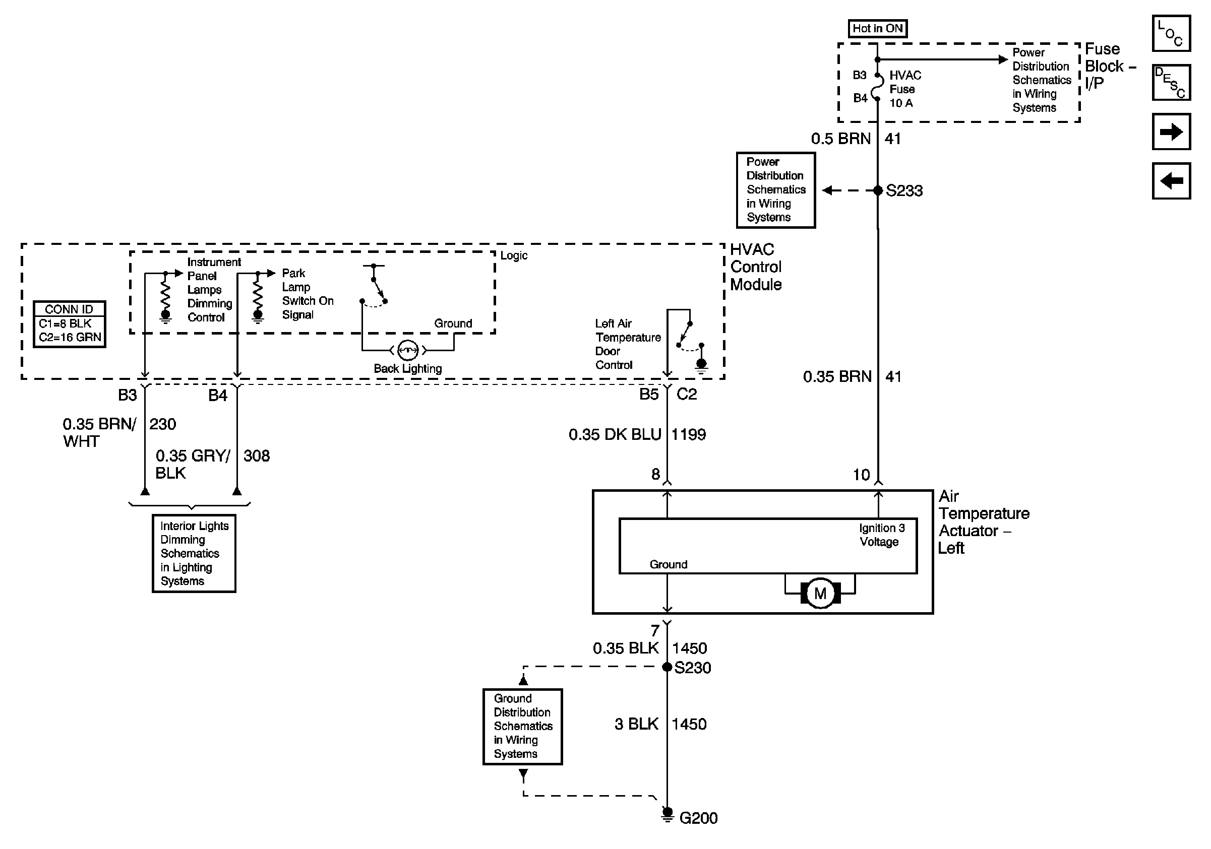
Figure 3:

Temperature Controls


Object Number: 665653  Size: FS
Master Electrical Component List
Air Temperature Description and Operation
Air Delivery Controls
Power, Grounds, and Blower Controls
CRUISE SWITCH, LOW BLOWER, CRUISE, and HVAC Fuses
CRUISE SWITCH, LOW BLOWER, CRUISE, and HVAC Fuses
Dimming Control, IPC, HVAC, and Radio
G200
Figure 4:

Air Delivery Controls


Object Number: 665658  Size: FS
Master Electrical Component List
Air Delivery Description and Operation
Temperature Controls
CRUISE SWITCH, LOW BLOWER, CRUISE, and HVAC Fuses
CRUISE SWITCH, LOW BLOWER, CRUISE, and HVAC Fuses