GM Service Manual Online
For 1990-2009 cars only
Makes
🢒
Oldsmobile
🢒
2002
🢒
Intrigue
🢒
Body and Accessories
🢒
Body Rear End
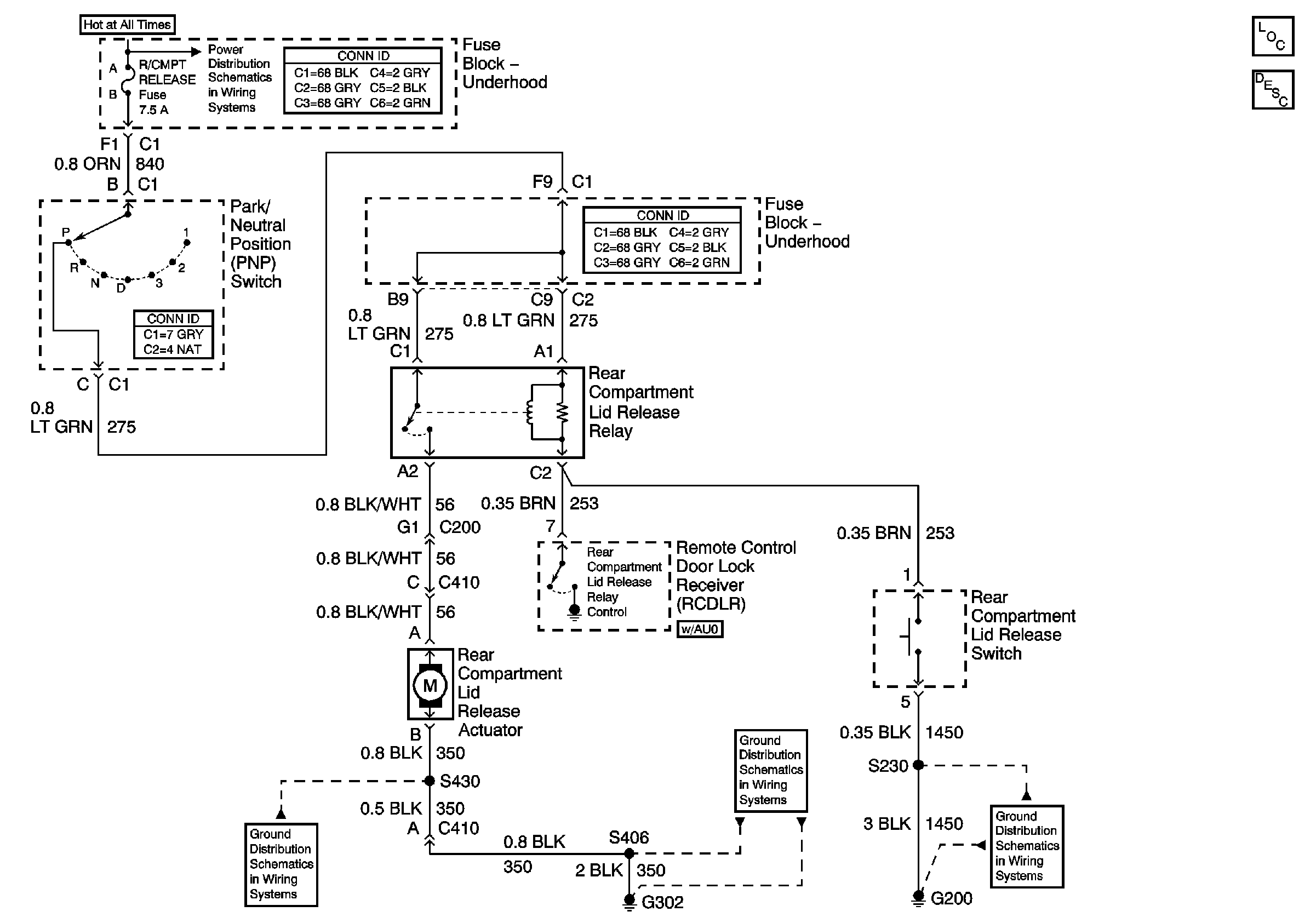
🢒 Body Rear End Schematics
Master Electrical Component List
Luggage Compartment Description and Operation
R/CMPT RELEASE, ECM, GEN, HDLPL, and HDLPR Fuses
G302
G302
G200