GM Service Manual Online
For 1990-2009 cars only
Makes
🢒
Oldsmobile
🢒
2002
🢒
Intrigue
🢒
Body and Accessories
🢒
Lighting Systems
🢒 Interior Lights Schematics
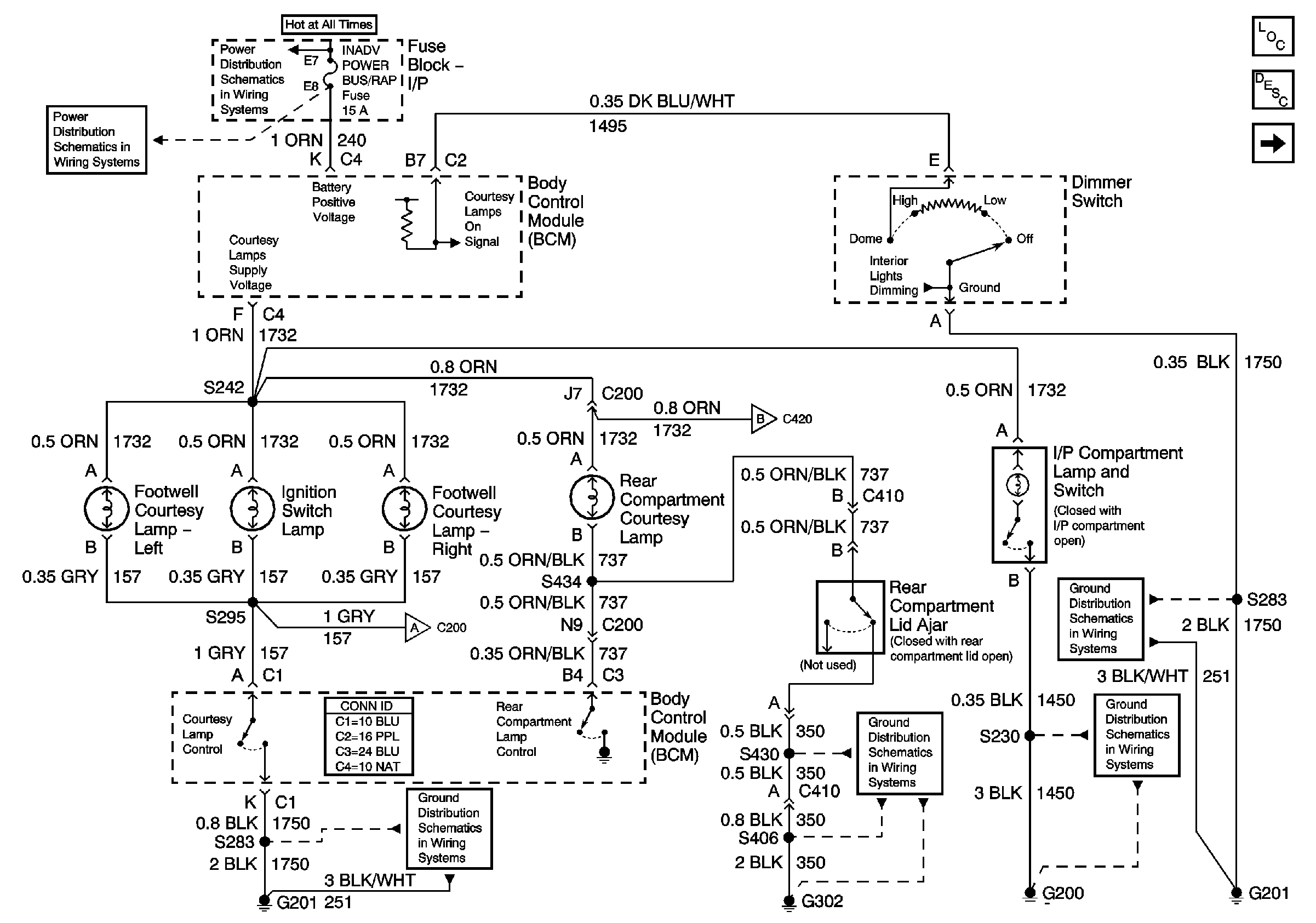
Figure
1:
I/P, Courtesy Lamps and Rear Compartment Control
Master Electrical Component List
Interior Lighting Systems Description and Operation
Vanity Mirrors, and Roof Lighting
INADV POWER BUS/RAP, BCM, RADIO/HVAC/RFA CLUSTER/DATA LINK, RADIO AMP, and CIGAR LTR/AUX POWER/POWER DROP Fuses
INADV POWER BUS/RAP, BCM, RADIO/HVAC/RFA CLUSTER/DATA LINK, RADIO AMP, and CIGAR LTR/AUX POWER/POWER DROP Fuses
Dimming Control, IPC, HVAC, and Radio
Vanity Mirrors, and Roof Lighting
Vanity Mirrors, and Roof Lighting
G201
G302
G201
G200
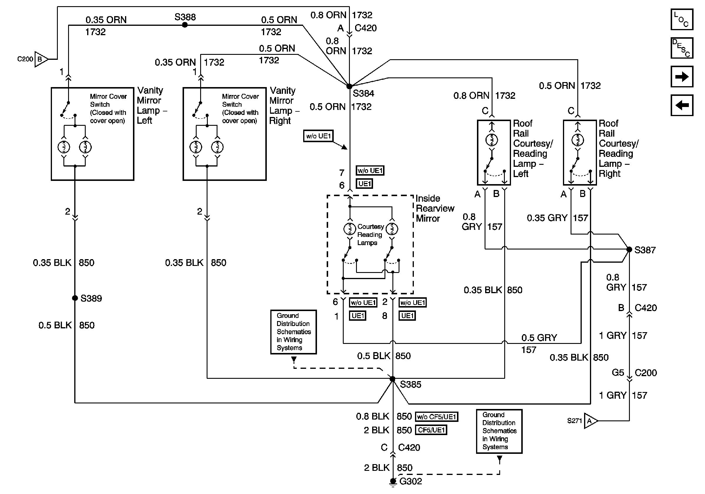
Figure
2:
Vanity Mirrors, and Roof Lighting
Master Electrical Component List
Interior Lighting Systems Description and Operation
Door Open Switches
I/P, Rear Compartment and Courtesy Lamp Control
I/P, Rear Compartment and Courtesy Lamp Control
G302
G302
I/P, Rear Compartment and Courtesy Lamp Control
Figure
3:
Door Open Switches
Master Electrical Component List
Interior Lighting Systems Description and Operation
Vanity Mirrors, and Roof Lighting
G301 (1 of 3)
G301 (1 of 3)