GM Service Manual Online
For 1990-2009 cars only

    Object Number: 679782  Size: SH
  1. Install the intake manifold.

  2. Object Number: 287926  Size: SH
  3. Connect the throttle body heater hose to the water crossover feed tube (1).
  4. Install the hose clamp.

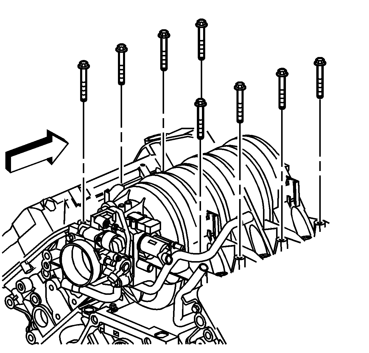
  5. Object Number: 679779  Size: SH
  6. Loosely install the intake manifold bolts.

  7. Object Number: 798850  Size: SH

    Notice: Use the correct fastener in the correct location. Replacement fasteners must be the correct part number for that application. Fasteners requiring replacement or fasteners requiring the use of thread locking compound or sealant are identified in the service procedure. Do not use paints, lubricants, or corrosion inhibitors on fasteners or fastener joint surfaces unless specified. These coatings affect fastener torque and joint clamping force and may damage the fastener. Use the correct tightening sequence and specifications when installing fasteners in order to avoid damage to parts and systems.

  8. Tighten the intake manifold bolts in sequence (1-8) as shown.
  9. Tighten
    Tighten the intake manifold bolts to 10 N·m (89 lb in).

  10. Inspect the fuel injector O-rings. Ensure the fuel injector O-rings are not missing, mis-aligned or damaged. Replace the O-rings if necessary.
  11. Lubricate the intake manifold fuel injector bores with light mineral oil GM P/N 9981704, clean engine oil, or equivalent.
  12. Install the fuel rail with fuel injectors as an assembly.

  13. Object Number: 679778  Size: SH
  14. Inspect the fuel injector O-rings (2) for misalignment or damage. Replace the O-rings if necessary.
  15. Install the fuel rail (1) and fuel injectors (2) by aligning the fuel injectors with their respective ports and pressing the four fuel rail snap-lock connectors into the intake manifold until they lock in place. DO NOT apply excessive pressure to the fuel rail in place. The need for excessive pressure may be caused by misalignment of a fuel injector and could cause damage to the seal or intake manifold.

  16. Object Number: 576171  Size: SH

    Important: The EGR valve outlet pipe incorporates a crush seal connection at the water crossover. The EGR valve outlet pipe must be replaced if disconnected from the water crossover.

  17. Install the NEW EGR outlet pipe with NEW O-ring seal.
  18. Install the EGR outlet pipe to intake manifold bolt.
  19. Tighten
    Tighten the EGR outlet pipe to intake manifold bolt to 10 N·m (89 lb in).

  20. Install the EGR outlet pipe to water crossover bolts.
  21. Tighten
    Tighten the EGR outlet pipe to water crossover bolts to 24 N·m (18 lb ft).


    Object Number: 679777  Size: SH
  22. Install the PCV valve and connect both feed tubes (1, 2) to the camshaft covers and intake manifold.

  23. Object Number: 235254  Size: SH
  24. Connect the fuel pressure regulator vacuum tube (1) to the regulator (2) and the throttle body (3).