GM Service Manual Online
For 1990-2009 cars only

    Object Number: 233806  Size: SH
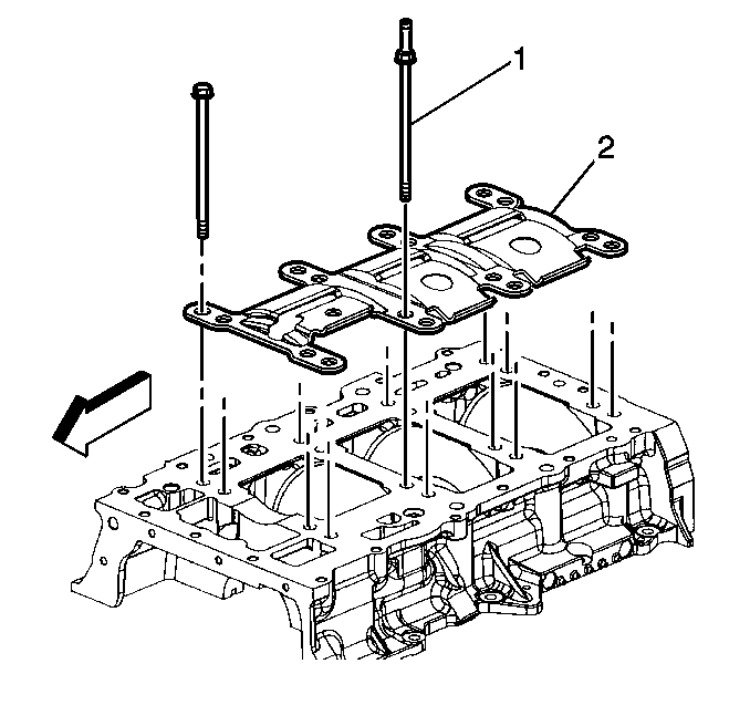
  1. Remove the main bearing bolts. Note the location of the single stud-end bolt (1) used to attach the oil pump pickup tube.
  2. Remove the oil scraper plate (2).
  3. Remove the lower crankcase perimeter bolts.

  4. Object Number: 287792  Size: SH

    Notice: Use a plastic pry tool when prying case halves apart to prevent damage to the Upper and Lower Crankcase surface. Do not continue to push the pry tool in the crankcase as the Upper and Lower Crankcase halves separate. This may damage the sealing surface.

  5. Working on either side of the lower crankcase, separate the crankcase halves by alternately prying in the grooves provided until the lower crankcase is free of the dowel pins.

  6. Object Number: 233361  Size: SH
  7. Remove the lower crankcase.

  8. Object Number: 233359  Size: SH
  9. Inspect the upper to lower crankcase seals for damage (cuts or tears) caused by mis-machined or damaged sealing surfaces.
  10. Remove and discard the upper-to-lower crankcase seals (1).

  11. Object Number: 235228  Size: SH
  12. Remove the crankshaft position sensor (1).
  13. Remove and discard the crankshaft position sensor O-ring.