GM Service Manual Online
For 1990-2009 cars only
Makes
🢒
Oldsmobile
🢒
2002
🢒
Intrigue
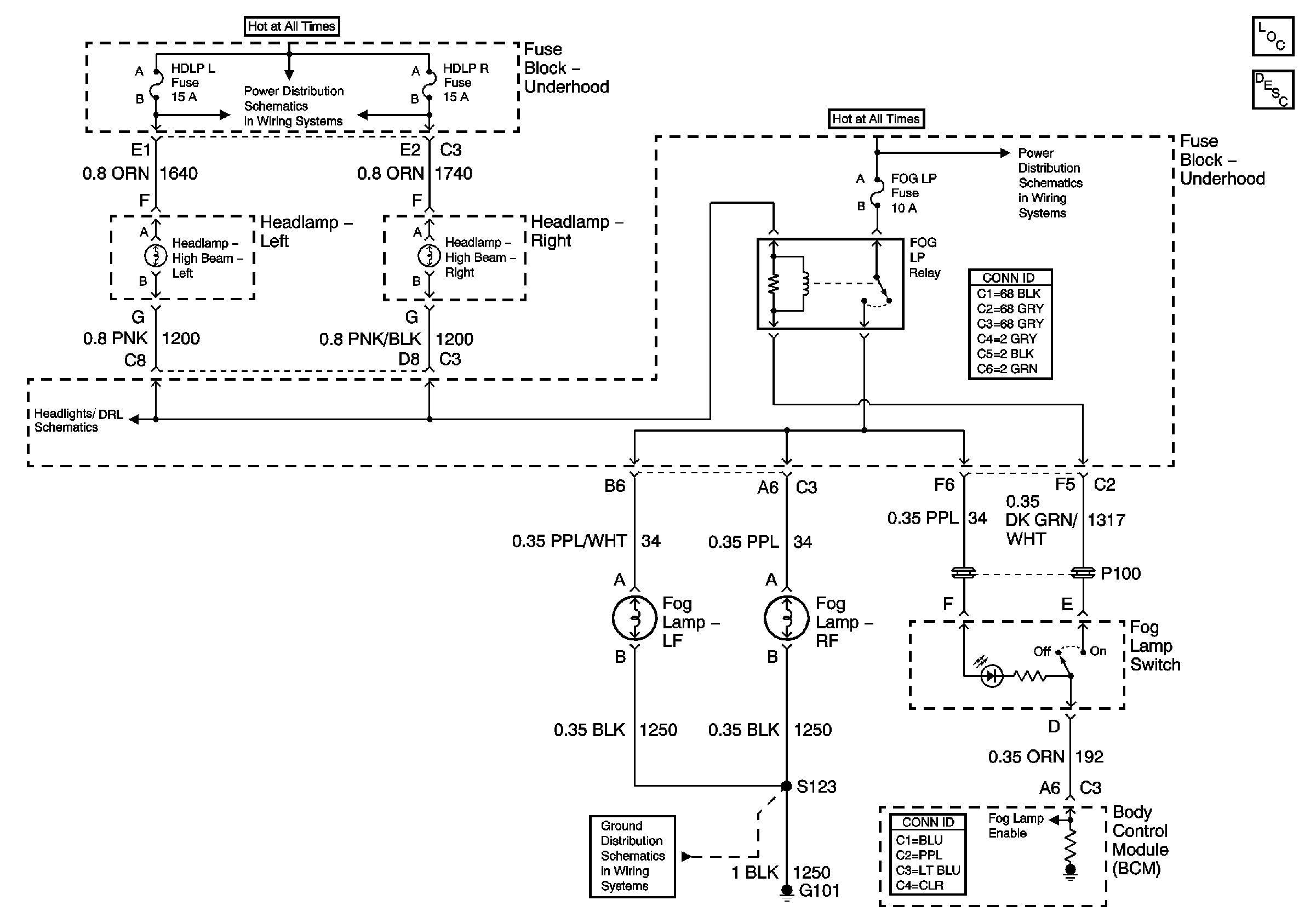
🢒 Fog LP-LF, Fog LP-RF, Fog LP Relay, Fog Lamp Switch
Fog LP-LF, Fog LP-RF, Fog LP Relay, Fog Lamp Switch
Master Electrical Component List
Exterior Lighting Systems Description and Operation
R/CMPT RELEASE, ECM, GEN, HDLPL, and HDLPR Fuses
Fuse Block-Underhood Bussing (1 of 2)
HDLP-LH, HDLP-RH, Multifunction Turn Signal Lever
G100, G101, G110