GM Service Manual Online
For 1990-2009 cars only
Makes
🢒
Oldsmobile
🢒
2002
🢒
Intrigue
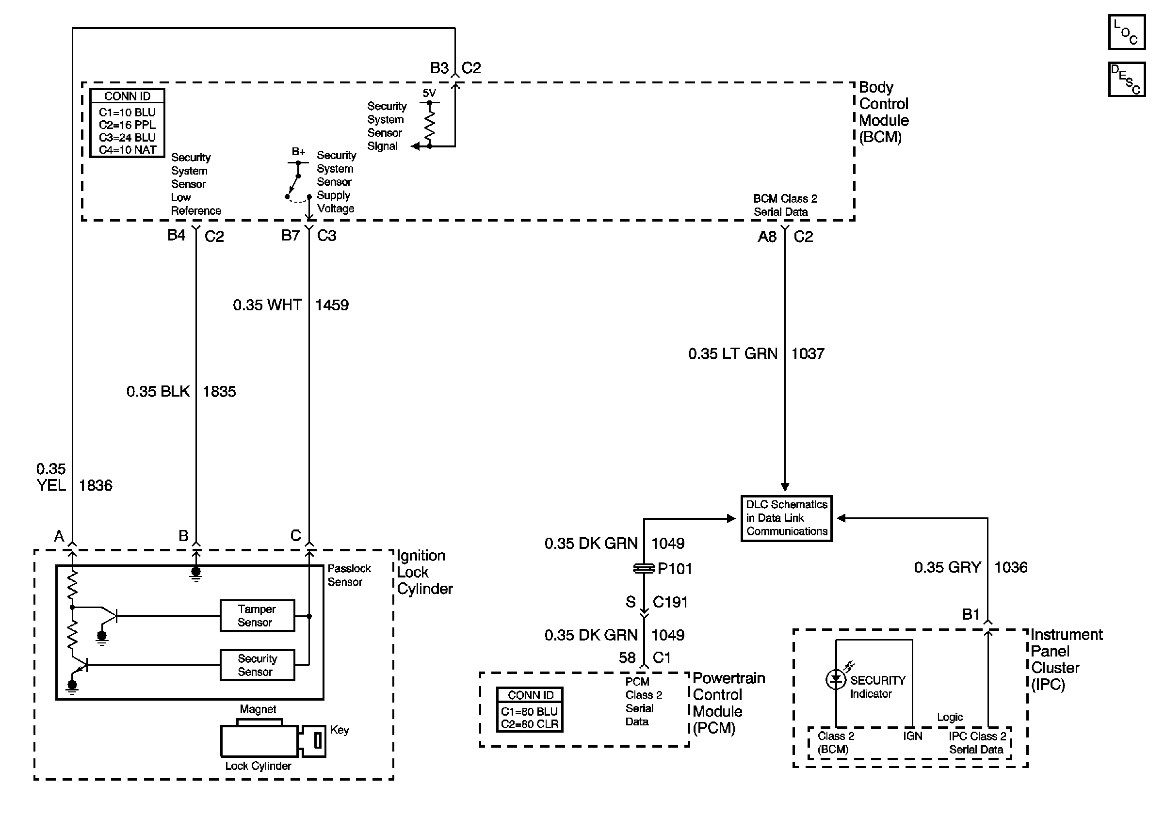
🢒 Voltage, Low Reference, and Serial Data
Voltage, Low Reference, and Serial Data
Master Electrical Component List
Theft Systems Description and Operation
DLC, and Splice Pack