GM Service Manual Online
For 1990-2009 cars only
Makes
🢒
Oldsmobile
🢒
1998
🢒
LSS
🢒
Engine
🢒
Engine Cooling
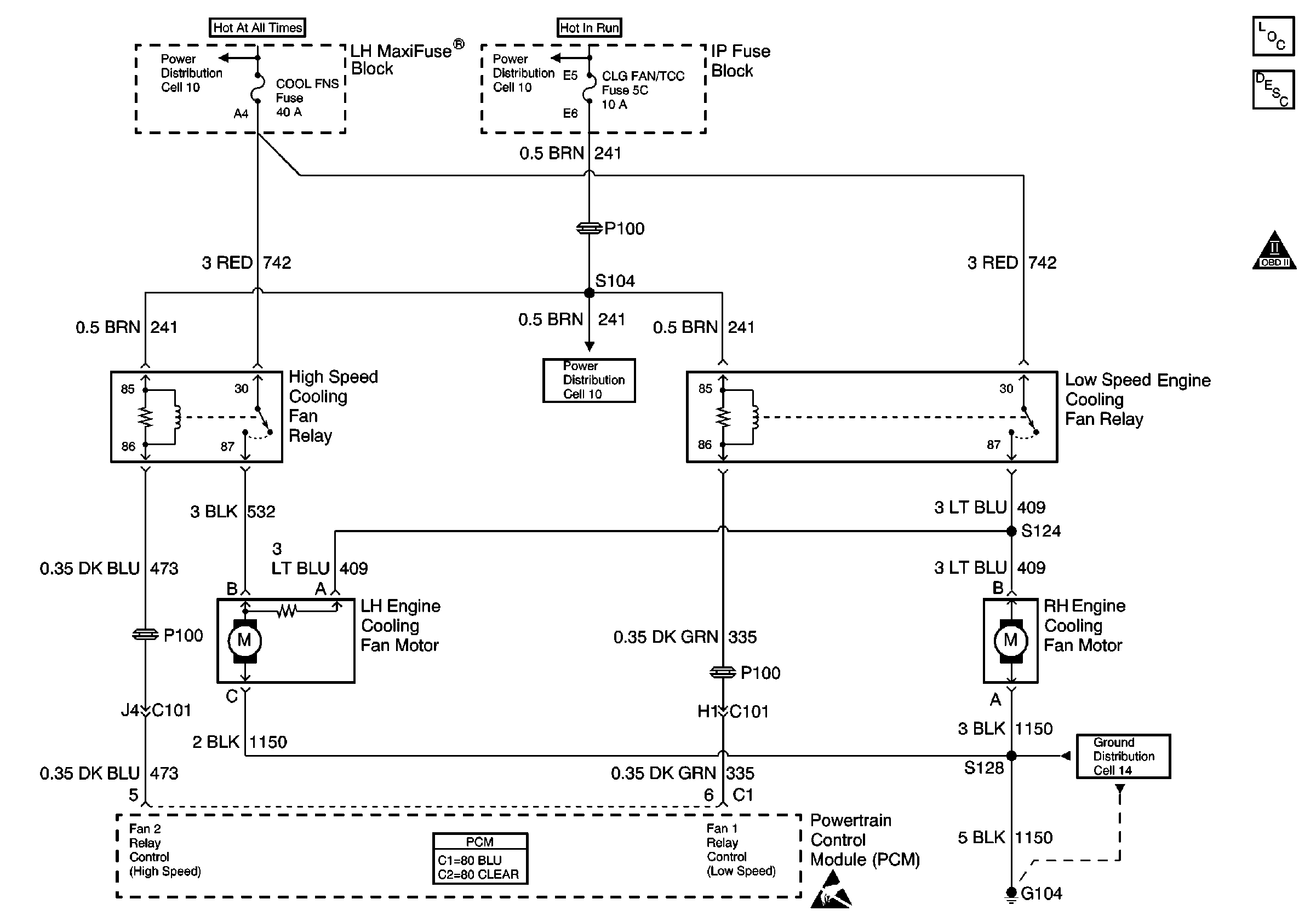
🢒 Cooling Fan Schematics
Cell 31: Cooling System
Cooling System Components
Cooling System Description
OBD II Symbol Description Notice
Handling ESD Sensitive Parts Notice
Cell 10: Battery and Underhood Fuse Blocks
Cell 10: MISC LGT, COOL FNS, C/LTR/RDO/CLSTR/MISC, ABS SOL and ABSMOT Fuses
Cell 10: ABS/CCR and CLG FAN/TCC Fuses
Cell 14: G104
Powertrain Control Module Connector End Views