GM Service Manual Online
For 1990-2009 cars only
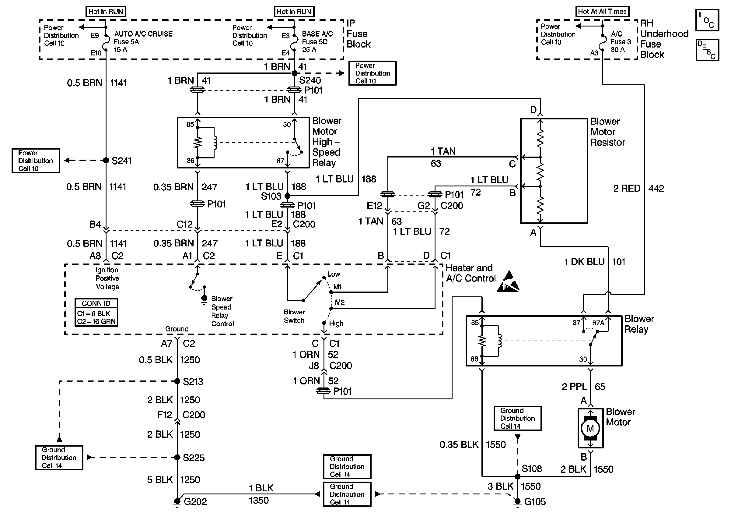
Figure 1:

Cell 63: Oldsmobile


Object Number: 493981  Size: FS
HVAC Components
HVAC Blower Controls Circuit Description
Power Distribution Schematics
Power Distribution Schematics
Power Distribution Schematics
Ground Distribution Schematics
Handling ESD Sensitive Parts Notice
HVAC Connector End Views
Figure 2:

Cell 63: Pontiac


Object Number: 493985  Size: FS
HVAC Components
HVAC Blower Controls Circuit Description
Power Distribution Schematics
Power Distribution Schematics
Power Distribution Schematics
Ground Distribution Schematics
Handling ESD Sensitive Parts Notice
HVAC Connector End Views
Figure 3:

Cell 63: Buick


Object Number: 493991  Size: FS
HVAC Components
HVAC Blower Controls Circuit Description
Power Distribution Schematics
Power Distribution Schematics
Power Distribution Schematics
Power Distribution Schematics
Power Distribution Schematics
Ground Distribution Schematics
Ground Distribution Schematics
Ground Distribution Schematics
Handling ESD Sensitive Parts Notice
HVAC Connector End Views