GM Service Manual Online
For 1990-2009 cars only

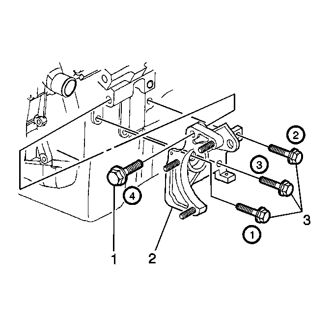
Removal Procedure


    Object Number: 327305  Size: SH
  1. Remove the A/C compressor. Refer to Air Conditioning Compressor Replacement .
  2. Remove the retaining bolts (1,3) from the A/C compressor mounting bracket.
  3. Remove the A/C compressor mounting bracket.

Installation Procedure


    Object Number: 327305  Size: SH
  1. Install the A/C compressor mounting bracket.
  2. Notice: Use the correct fastener in the correct location. Replacement fasteners must be the correct part number for that application. Fasteners requiring replacement or fasteners requiring the use of thread locking compound or sealant are identified in the service procedure. Do not use paints, lubricants, or corrosion inhibitors on fasteners or fastener joint surfaces unless specified. These coatings affect fastener torque and joint clamping force and may damage the fastener. Use the correct tightening sequence and specifications when installing fasteners in order to avoid damage to parts and systems.

  3. Install the retaining bolts (1,3) to the A/C compressor mounting bracket.
  4. Tighten

        • Tighten the side bracket bolts to 100 N·m (74 lb ft).
        • Tighten the front bracket bolt to 50 N·m (37 lb ft).
  5. Install the A/C compressor. Refer to Air Conditioning Compressor Replacement