GM Service Manual Online
For 1990-2009 cars only
Makes
🢒
Oldsmobile
🢒
1998
🢒
LSS
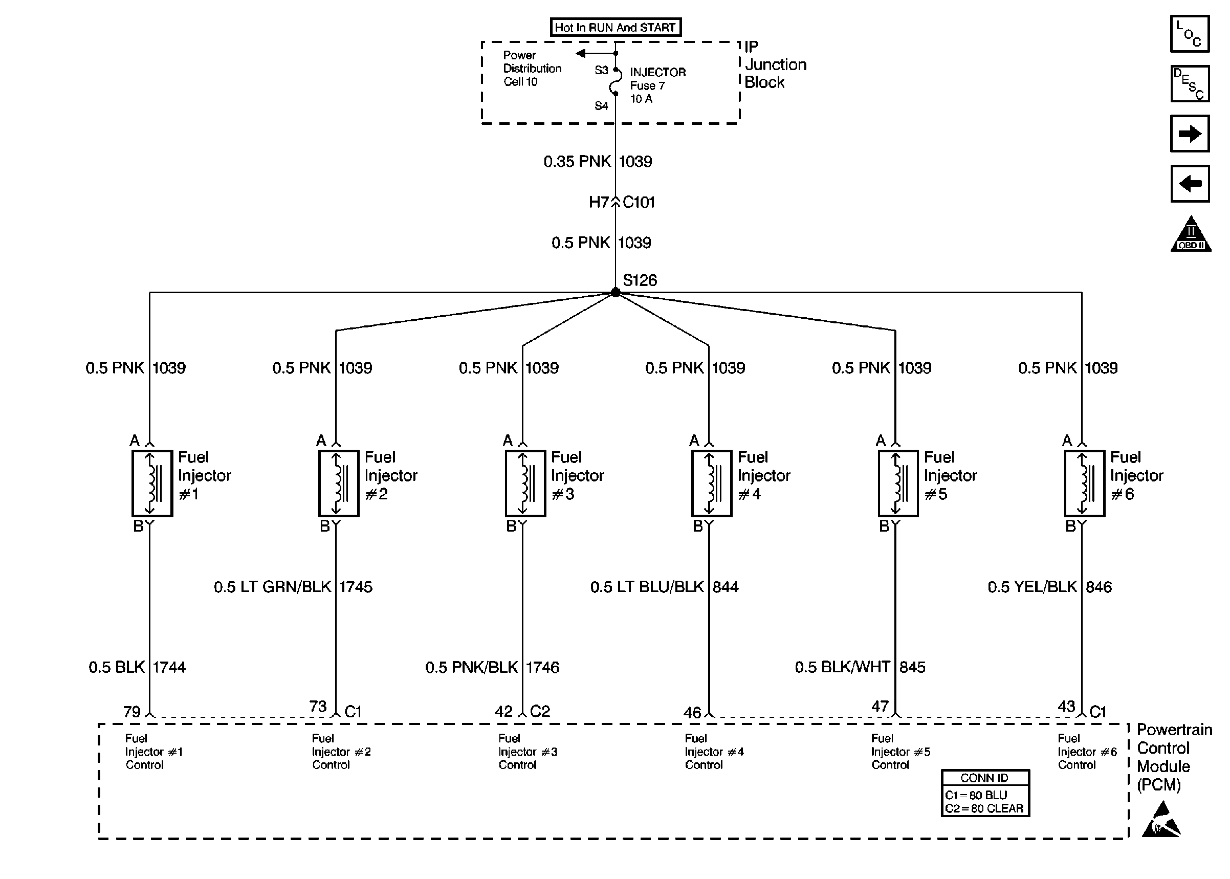
🢒 Cell 20: Fuel Injectors
Cell 20: Fuel Injectors
Cell 20: Fuel Injectors
Engine Controls Components
Powertrain Control Module Description
Cell 20: Sensors
Cell 20: Fuel Control (VIN 1)
OBD II Symbol Description Notice
Handling ESD Sensitive Parts Notice
Engine Controls Schematic References
Powertrain Control Module Connector End Views