GM Service Manual Online
For 1990-2009 cars only
Makes
🢒
Oldsmobile
🢒
1998
🢒
LSS
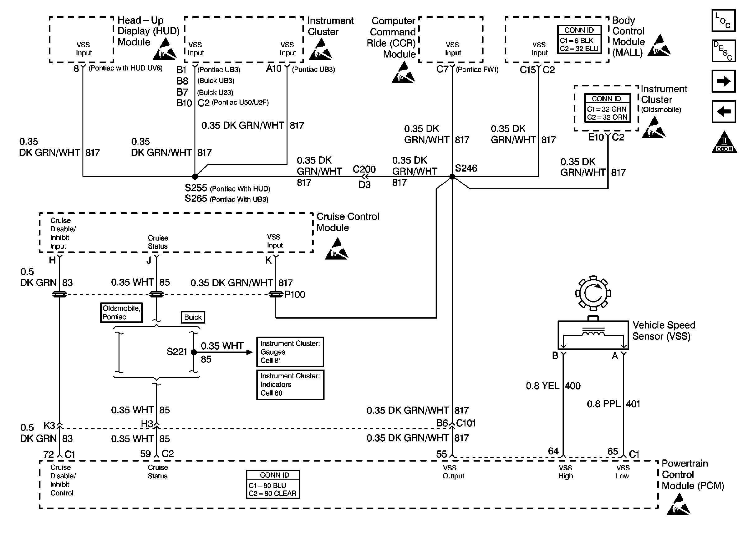
🢒 Cell 20: VSS, Cruise Control Module
Cell 20: VSS, Cruise Control Module
Cell 20: VSS, Cruise Control Module
Engine Controls Components
Powertrain Control Module Description
Cell 20: Park/Neutral Position (PNP) Switch
Cell 20: Heated Oxygen Sensors
OBD II Symbol Description Notice
Handling ESD Sensitive Parts Notice
Handling ESD Sensitive Parts Notice
Handling ESD Sensitive Parts Notice
Handling ESD Sensitive Parts Notice
Handling ESD Sensitive Parts Notice
Handling ESD Sensitive Parts Notice
Handling ESD Sensitive Parts Notice
Engine Controls Schematic References
Engine Controls Schematic References
Powertrain Control Module Connector End Views