GM Service Manual Online
For 1990-2009 cars only
Makes
🢒
Oldsmobile
🢒
1998
🢒
LSS
🢒 Cell 34: Stoplamp Switch
Cell 34: Stoplamp Switch
Cell 34: Stoplamp Switch
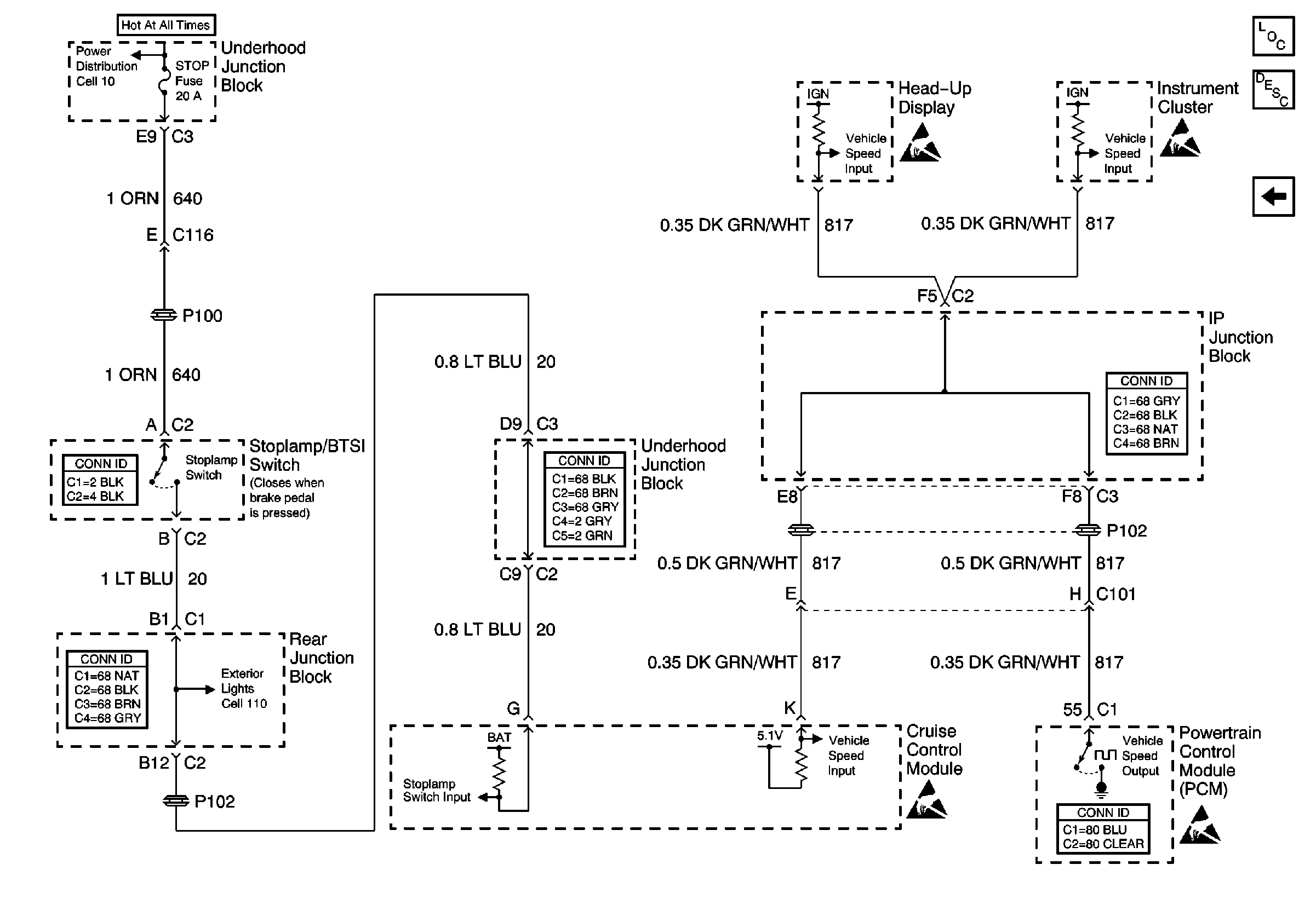
Cruise Control Components
Cruise Control System Circuit Description
Cell 34: ABS/TCC Switch
Handling ESD Sensitive Parts Notice
Handling ESD Sensitive Parts Notice
Handling ESD Sensitive Parts Notice
Handling ESD Sensitive Parts Notice
Power Distribution Schematics
Power and Grounding Connector End Views
Power and Grounding Connector End Views
Power and Grounding Connector End Views
Exterior Lights Schematics
Powertrain Control Module Connector End Views
Tilt Wheel/Column Connector End Views