GM Service Manual Online
For 1990-2009 cars only
Makes
🢒
Oldsmobile
🢒
1998
🢒
LSS
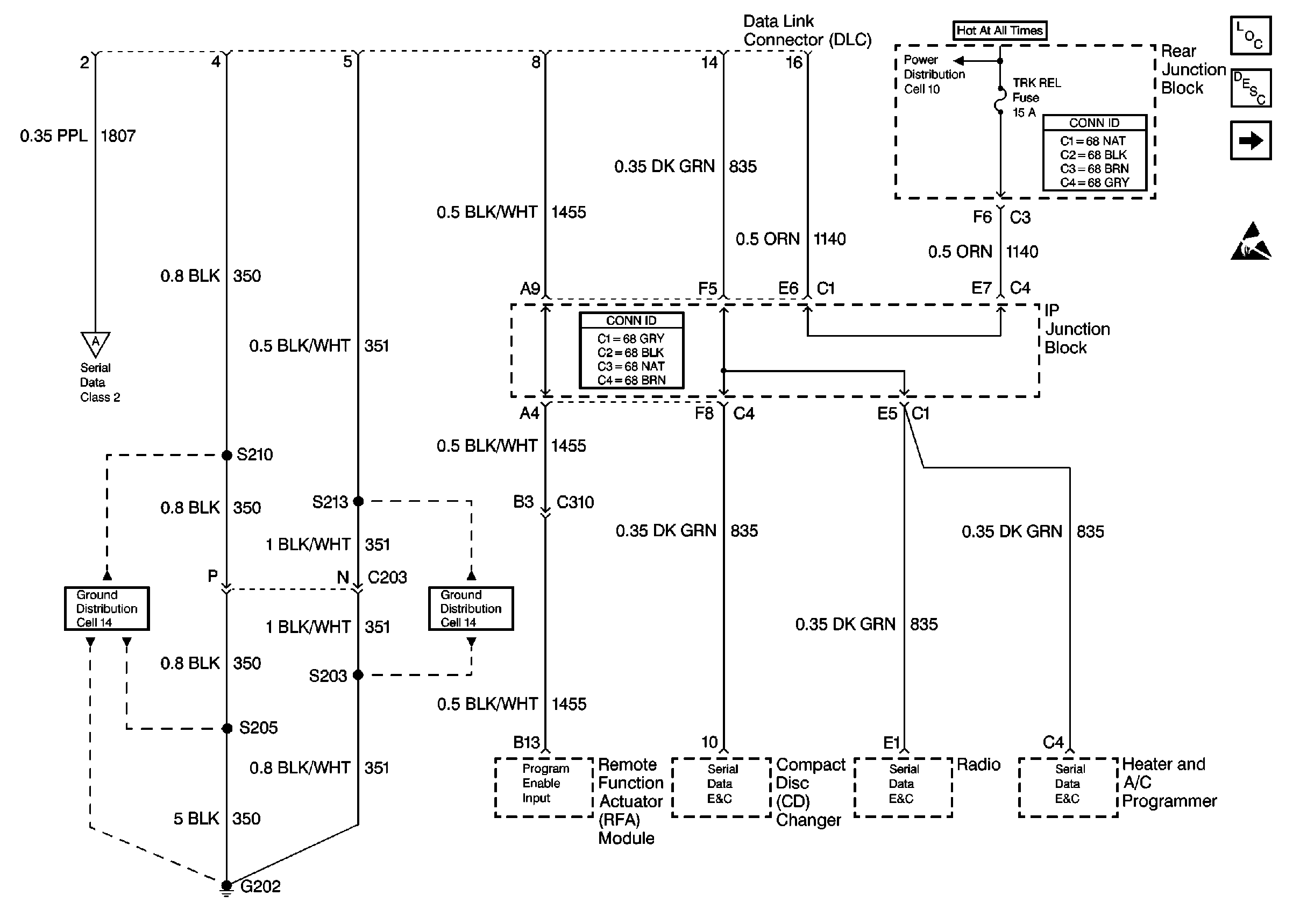
🢒 Cell 50: Power, Ground and E&C Serial Data Line
Cell 50: Power, Ground and E&C Serial Data Line
Cell 50: Power, Ground and E&C Serial Data Line
Data Link Communications Components
Data Link Connector Operation
Cell 50: Class 2 Serial Data Line
Cell 10: BATT 1, RDM, C/LTR, DDM, HTDST L, TRK REL, PDM, SBM, and CSTR/SBM FuseS
Ground Distribution Schematics
Ground Distribution Schematics
Handling ESD Sensitive Parts Notice
Cell 50: Class 2 Serial Data Line