GM Service Manual Online
For 1990-2009 cars only
Makes
🢒
Oldsmobile
🢒
1998
🢒
LSS
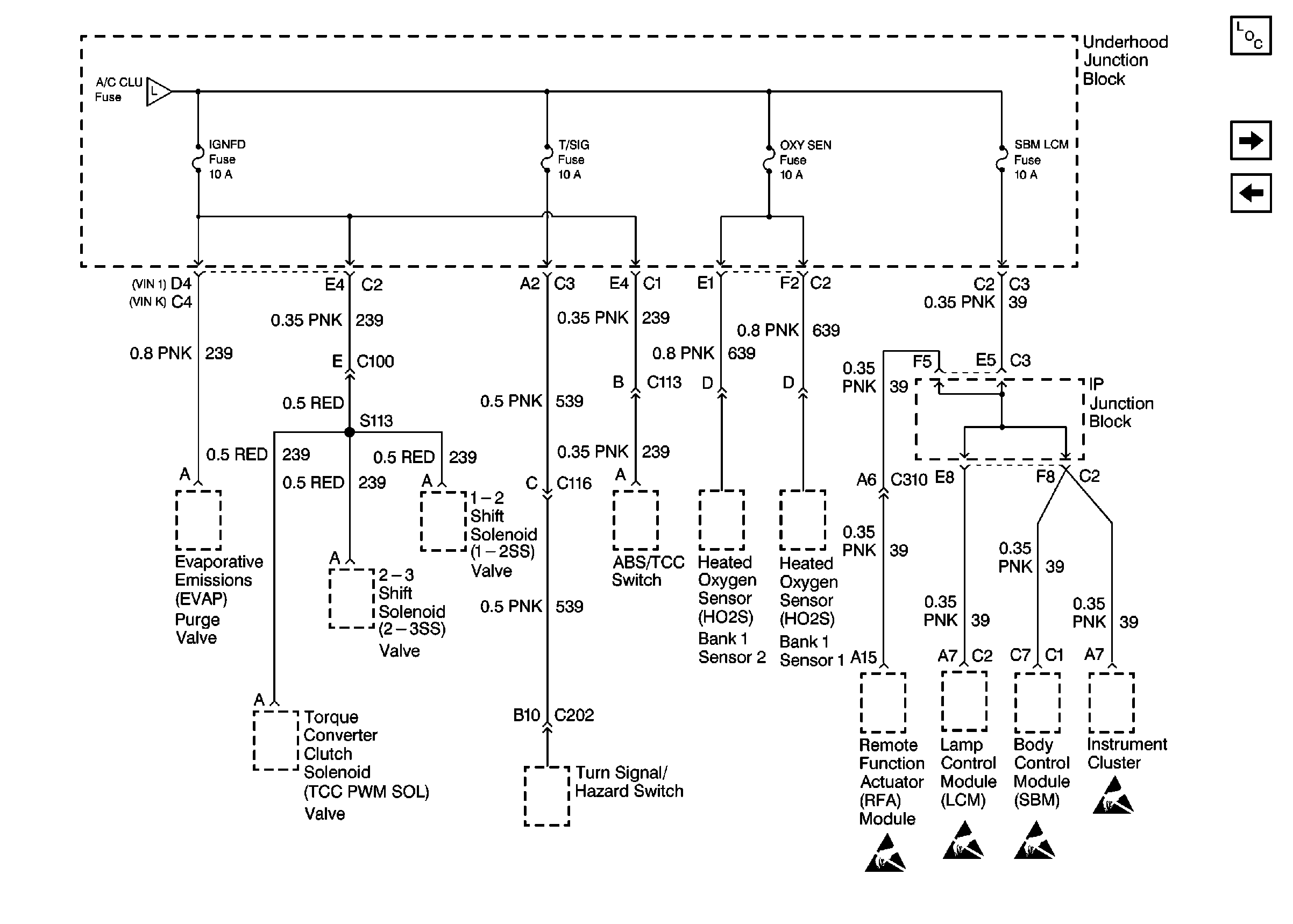
🢒 Cell 10: IGNFD, T/SIG, OXY SEN, and SBM LCM Fuses
Cell 10: IGNFD, T/SIG, OXY SEN, and SBM LCM Fuses
Cell 10: IGNFD, T/SIG, OXY SEN, and SBM LCM Fuses
Power and Grounding Components
Cell 10: HDLP, HDLOBML, HDLOBMR, HDHIBMO, HDHIBMR, ABS Solenoid And ABS Motor Fuses
Cell 10: PCM, SIR, C31, INJR, and A/C CLU Fuses
Cell 10: PCM, SIR, C31, INJR, and A/C CLU Fuses
Handling ESD Sensitive Parts Notice
Handling ESD Sensitive Parts Notice
Handling ESD Sensitive Parts Notice
Handling ESD Sensitive Parts Notice