GM Service Manual Online
For 1990-2009 cars only
Makes
🢒
Oldsmobile
🢒
1998
🢒
LSS
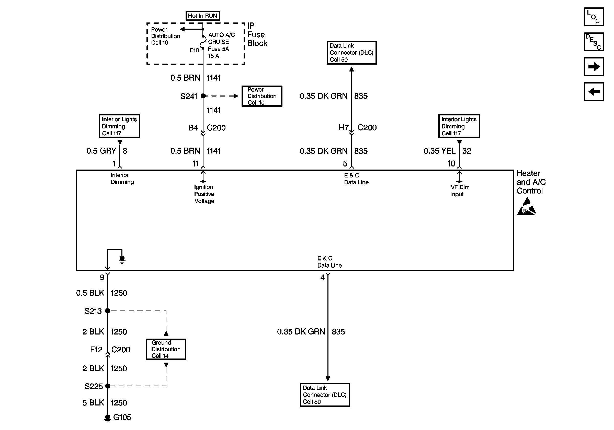
🢒 Cell 68: IP Fuse Block, Heater and A/C Control Assembly - Pontiac
Cell 68: IP Fuse Block, Heater and A/C Control Assembly - Pontiac
Cell 68: IP Fuse Block, Heater and A/C Control Assembly -- Pontiac
HVAC Components
Cell 68: Heater and A/C Programmer - Pontiac
Interior Lights Dimming Schematics Pontiac
Data Link Connector Schematics
Interior Lights Dimming Schematics Pontiac
Power Distribution Schematics
Power Distribution Schematics
Ground Distribution Schematics
Data Link Connector Schematics
Handling ESD Sensitive Parts Notice
Cell 68: Vacuum Tank - Pontiac