GM Service Manual Online
For 1990-2009 cars only
Makes
🢒
Oldsmobile
🢒
1998
🢒
LSS
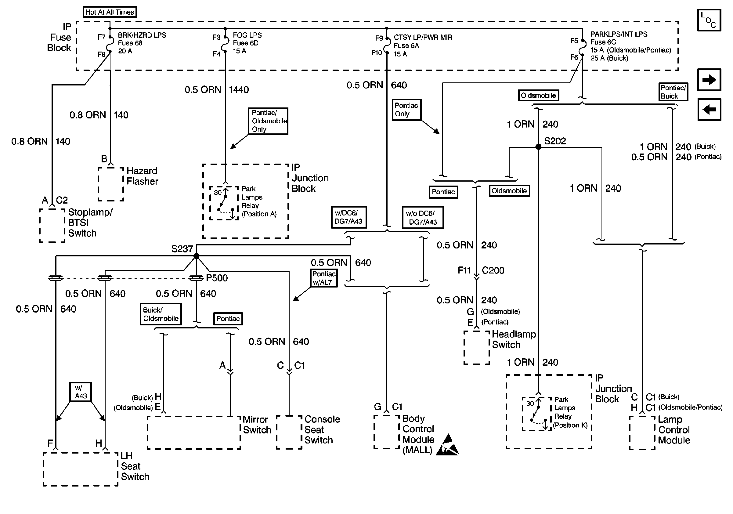
🢒 Cell 10: BRK/HZRD LPS, FOG LPS, CTSY LF/PWR MIR, and PARK LPS/INT LPS Fuses
Cell 10: BRK/HZRD LPS, FOG LPS, CTSY LF/PWR MIR, and PARK LPS/INT LPS Fuses
Cell 10: BRK/HZRD LPS, FOG LPS, CTSY LF/PWR MIR, and PARK LPS/INT LPS Fuses
Power and Grounding Components
Cell 10: INTERIOR LPS Fuse
Cell 11: Fuse 6A (15 A), Fuse 7D (10 A) and Fuse 7E (10 A)
Handling ESD Sensitive Parts Notice